- Які характеристики має товар Редуктор циліндричний 1Ц2У-500-31.5? ❯
- Яка ціна товару Редуктор циліндричний 1Ц2У-500-31.5 і чи вона актуальна? ❯
- До якої категорії належить товар Редуктор циліндричний 1Ц2У-500-31.5? ❯
- Чи можна замовити доставку для товару Редуктор циліндричний 1Ц2У-500-31.5? ❯
- Які переваги покупки Редуктор циліндричний 1Ц2У-500-31.5 саме у цього виробника KrepZevs? ❯
- Де можна знайти інші товари, схожі на Редуктор циліндричний 1Ц2У-500-31.5? ❯
- ВиробникKrepZevs
- НаявністьВ наявності
- ТипРедуктор
- Тип редуктораЦиліндричний
- Усі характеристики
- Мінімальна сумма замовлення - 2000 грн
- Надійна сировина та обладнання: Компанія використовує перевірену сировину та сучасне обладнання для виробництва кріпильних елементів.
- Дослідна команда: Виробництвом стандартних та спеціальних рішень займається команда професіоналів.
- Співпраця з виробниками: Компанія співпрацює з відповідальними заводами-виробниками з України та Європи.
Циліндричний двоступінчастий редуктор 1Ц2У-500-31.5
Редуктори 1Ц2У-500-31.5 мають циліндричний тип передачі та міжосьову відстань рівну 500 мм. Вали пристрою розташовані паралельно горизонтальній площині. Купити редуктор ви можете з кінцями, виконаними циліндричною, конічною формою або у вигляді зубчастої напівмуфти.
Створено перетворювачі для комплектації приводних систем різних машин та пристроїв загальнопромислового призначення для оптимізації показників крутного моменту та частоти обертання.
Якщо вам необхідний циліндричний редуктор 1Ц2У-500, компанія «Зевс» надає найвигідніші умови. Ми виробляємо та постачаємо тільки якісні перетворювачі, які пройшли перевірки на якість та мають відповідні сертифікуючі документи. На сайті ви можете купити редуктор 1Ц2У-500, ціна якого є дуже прийнятною, з доставкою по всій території країни. Для отримання детальної консультації зателефонуйте за телефоном, вказаним на сайті. Наші менеджери будуть раді відповісти на всі ваші запитання та допомогти вам з вибором пристрою.
Схема габаритних та приєднувальних розмірів редуктора 1Ц2У-500

| Типорозмір | A wт | A wб | B | B1 | B2 | H | H1 | h | L | L1 | L2 | L3 | L4 | L5 | d |
| 1Ц2Н - 500-31,5 | 500 | 315 | 700 | 580 | 650 | 1055 | 530 | 60 | 165 | 615 | 360 | 565 | 530 | 690 | 42 |
Приєднувальні розміри конічних валів редуктора 1Ц2У-500

| Типорозмір | швидкохідний вал | тихохідний вал | ||||||
| d | l | b | t | d | l | b | t | |
| 1Ц2Н-500-31,5 | 90m6 | 170 | 25 | 95 | 180m6 | 300 | 45 | 190 |
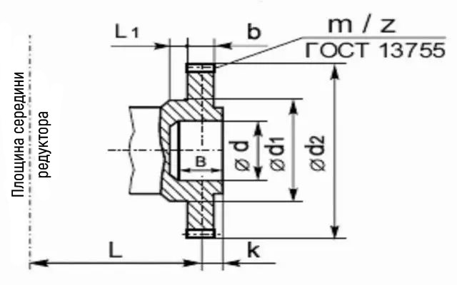
Приєднувальні розміри циліндричних валів редуктора 1Ц2У-500

| Типорозмір | b | d | d1 | d2 | d3 | L | l | l1 | Зачеплення | |
| m | z | |||||||||
| 1Ц2Н-500-31,5 | 50 | 420 | 200 | 160F8 | 230 | 470 | 15 | 70 | 10 | 40 |
Приєднувальні розміри у вигляді зубчастої напівмуфти редуктора 1Ц2У-500

| Типорозмір | b | d | d1 | d2 | d3 | L |
| 1Ц2Н-500-31,5 | 5 | 190h9 | 75h9 | 55 | М8х20 | 360 |
Технічні характеристики редуктора 1Ц2У-500
|
Найменування технічних характеристик |
Од. вим |
Типорозмір |
|
| 1Ц2Н-500 | |||
|
Передавальні числа |
31,5 | ||
|
Допустиме радіальне консольне навантаження |
на швидкохідному валу |
Н | 10000 |
|
на т/х циліндричному валу |
100000 | ||
|
на т/х валу у вигляді зубчастої муфти |
100000 | ||
|
Номінальний момент, що крутить, на вихідному валу |
Н.м. | 56000 | |
| ККД | % | 0,97 | |
| Маса | кг | 2090 | |
Варіанти складання редукторів 1Ц2У

Приклад умовного позначення редуктора 1Ц2У-500

Редуктор цилиндрический 1Ц2У-500-31.5
Технічні характеристики
- ТипРедуктор
- Тип редуктораЦиліндричний
- Кількість робочих ступенів2
- Тип корпусуЛитою
- Частота обертання вхідного валу1800
- Вага2090
- Розташування валів редуктораГоризонтальне
- Номінальне передатне число31.5
- Спосіб кріпленняНа лапки
- Тип робочого навантаженняпостійна, змінна, реверсивна
- Матеріал корпусуалюміній, сталь, чавун
- Супровідний документПаспорт
- Міжосьова відстань500
- Гарантія12 місяців
- СтанНове
Відгуків про цей товар ще не було.
