- Які характеристики має товар Редуктор ВК-550-125? ❯
- Яка ціна товару Редуктор ВК-550-125 і чи вона актуальна? ❯
- До якої категорії належить товар Редуктор ВК-550-125? ❯
- Чи можна замовити доставку для товару Редуктор ВК-550-125? ❯
- Які переваги покупки Редуктор ВК-550-125 саме у цього виробника KrepZevs? ❯
- Де можна знайти інші товари, схожі на Редуктор ВК-550-125? ❯
- ВиробникKrepZevs
- НаявністьВ наявності
- ТипРедуктор
- Тип редуктораЦиліндричний
- Усі характеристики
- Мінімальна сумма замовлення - 2000 грн
- Надійна сировина та обладнання: Компанія використовує перевірену сировину та сучасне обладнання для виробництва кріпильних елементів.
- Дослідна команда: Виробництвом стандартних та спеціальних рішень займається команда професіоналів.
- Співпраця з виробниками: Компанія співпрацює з відповідальними заводами-виробниками з України та Європи.
Редуктор циліндричний крановий ВК-550-125
Даний крановий редуктор ВК-550-135 має передатний коефіцієнт, що дорівнює 125, що є найбільшим показником серед усіх редукторів виду ВК з міжосьовою відстанню 550 (мм). Незважаючи на свої незначні розміри, пристрій дозволяє максимально ефективно використовувати малопотужні приводи (двигуни) для роботи з великими і важкими вантажами.
Завод «Зевс» пропонує вашій увазі широкий асортимент редукторів різного призначення та специфікації. Купити редуктор оптом чи в роздріб за вигідною ціною, не докладаючи зусиль, можна у нас. Для цього достатньо зателефонувати за номером гарячої лінії або звернутися до чат-підтримки на сайті. Доставка здійснюється по всій Україні.
Таблиця параметрів редуктора ВК-550 з передаваннями від 18 до 125
|
Типорозмір редуктора |
Номінальна передатне число |
Номінальний крутний момент на тихохідному валу, Нм |
Частота обертання вхідного валу, хв-1 |
Вага, кг |
ККД |
|
ВК-550 |
125 |
1500 |
1000 |
279 |
0,91 |
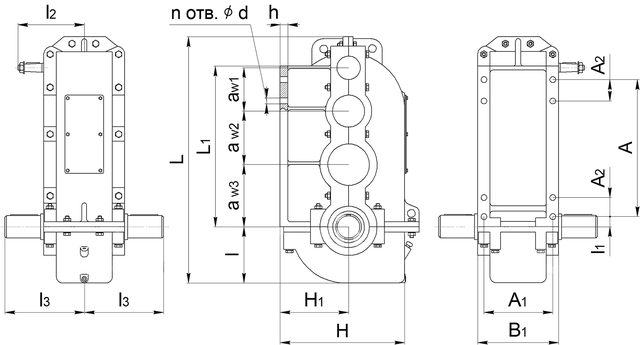
Креслення і розміри редуктора ВК-550

|
Тип |
aw1 |
aw2 |
аw3 |
L |
L1 |
l |
l1 |
l2 |
l3 |
H |
H1 |
h |
A |
А1 |
А2 |
B1 |
n |
d |
|
не більше |
||||||||||||||||||
|
ВК-550 |
140 |
190 |
220 |
880 |
557 |
215 |
50 |
257,5 |
280 |
488 |
235 |
25 |
460 |
245 |
70 |
280 |
8 |
17 |
Варіації комплектації редуктора ВК-550-125

Умовне позначення кранового редуктора ВК-550-125

Редуктор ВК-550-125
Технічні характеристики
- ТипРедуктор
- Тип редуктораЦиліндричний
- Кількість робочих ступенів3
- Тип корпусуЛитою
- Розташування валів редуктораГоризонтальне
- Номінальне передатне число125
- СтанНове
Відгуків про цей товар ще не було.
