- Які характеристики має товар Рим-болти М42 DIN 580? ❯
- Яка ціна товару Рим-болти М42 DIN 580 і чи вона актуальна? ❯
- До якої категорії належить товар Рим-болти М42 DIN 580? ❯
- Чи можна замовити доставку для товару Рим-болти М42 DIN 580? ❯
- Які переваги покупки Рим-болти М42 DIN 580 саме у цього виробника KrepZevs? ❯
- Де можна знайти інші товари, схожі на Рим-болти М42 DIN 580? ❯
- ВиробникKrepZevs
- НаявністьВ наявності
- Матеріал кріпильного виробуСталь
- Тип кріпильного виробуРим-болт
- Усі характеристики
- Мінімальна сумма замовлення - 2000 грн
- Надійна сировина та обладнання: Компанія використовує перевірену сировину та сучасне обладнання для виробництва кріпильних елементів.
- Дослідна команда: Виробництвом стандартних та спеціальних рішень займається команда професіоналів.
- Співпраця з виробниками: Компанія співпрацює з відповідальними заводами-виробниками з України та Європи.
Рим-болти М42 DIN 580
Рим-болти М42 виготовляють за всіма вимогами німецького стандарту DIN 580. Дане кріплення використовують для підйому, утримання або переміщення різних вантажів під час монтажних або такелажних робіт. Область застосування включає машинобудування, будівництво. Метизи дуже поширені в порту, де їх застосовують для розвантаження або навантаження кораблів, а також з їхньою допомогою пришвартовують судна.
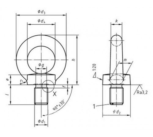
Конструкційно деталі мають вигляд сталевого різьбового стрижня з головкою у вигляді кільця. Матеріалом виготовлення служить вуглецева сталь марки С15. Вироби часто встановлюють у вологому та несприятливому середовищі, тому готовий продукт покривають захисним шаром цинку.

Технічні характеристики
|
Опис |
Характеристика |
Значення, (мм) |
|
Діаметр метричного різьблення |
d |
М42 |
|
Діаметр основи |
d2nom |
85 |
|
Діаметр кола кільця |
d3nom |
144 |
|
Внутрішній діаметр кільця |
d4nom |
80 |
|
Висота основи |
enom |
30 |
|
Висота кільця |
hnom |
147 |
|
Ширина кільця |
knom |
32 |
|
Довжина стрижня |
lnom |
63 |
| Вага 1 шт, кг | 4,03 |
Компанія "Зевс" надає послуги з виготовлення кріплення різного типорозміру, з різних матеріалів, а також згідно з різними нормами та стандартами. Виконання замовлень та подальше їх відправлення до клієнта здійснюється за короткий термін. Метиз доставляється на всій території України надійними компаніями-перевізниками. Для постійних клієнтів та оптових покупців діє гнучка система знижок. Ціни нижчі за ринок на 3-10%. Гарантія якості на вироби – 36 місяців з моменту придбання. Вся продукція постачається після попередньої перевірки у ВТК.
Рым-болты М42 DIN 580
Технічні характеристики
- Матеріал кріпильного виробуСталь
- Тип кріпильного виробуРим-болт
- ПокриттяЦинк
- Метричне різьблення, М42
- Супровідний документСертифікат
- Гарантійний термін36
- СтанНове
- СтандартDIN 580
Відгуків про цей товар ще не було.
