- Які характеристики має товар Рим-болти нержавіючі М24 ГОСТ 4751-73? ❯
- Яка ціна товару Рим-болти нержавіючі М24 ГОСТ 4751-73 і чи вона актуальна? ❯
- До якої категорії належить товар Рим-болти нержавіючі М24 ГОСТ 4751-73? ❯
- Чи можна замовити доставку для товару Рим-болти нержавіючі М24 ГОСТ 4751-73? ❯
- Які переваги покупки Рим-болти нержавіючі М24 ГОСТ 4751-73 саме у цього виробника KrepZevs? ❯
- Де можна знайти інші товари, схожі на Рим-болти нержавіючі М24 ГОСТ 4751-73? ❯
- ВиробникKrepZevs
- НаявністьВ наявності
- Матеріал кріпильного виробуНержавіюча сталь
- Тип кріпильного виробуРим-болт
- Усі характеристики
- Мінімальна сумма замовлення - 2000 грн
- Надійна сировина та обладнання: Компанія використовує перевірену сировину та сучасне обладнання для виробництва кріпильних елементів.
- Дослідна команда: Виробництвом стандартних та спеціальних рішень займається команда професіоналів.
- Співпраця з виробниками: Компанія співпрацює з відповідальними заводами-виробниками з України та Європи.
Рим-болти М24 ГОСТ 4751-73 з нержавіючої сталі
Рим-болт М24 є, сталевий стрижень з буртиком і головкою у вигляді кільця, звідси і назва болта («рим» по голландки - кільце). Виготовляють дані металовироби у суворій відповідності вітчизняному стандарту ГОСТ 4751-73 або німецькому аналогу стандарту – DIN 580. Призначений кріплення для підйому та утримання на вазі різного вантажу.
Оскільки елементи виготовляють з нержавіючої сталі, то їх часто експлуатують в портах, для завантаження та розвантаження кораблів, а також їх швартування.
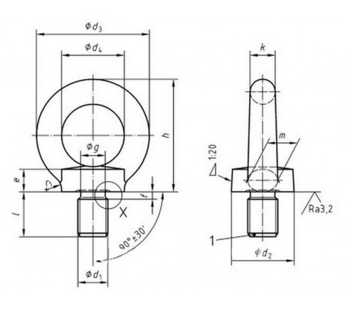
Креслення рим-болта ГОСТ 4751-73

Технічні характеристики (мм):
|
Номінальний діаметр різьблення D1 |
М24 |
|
Крок різьблення P |
3 |
|
Діаметр буртика D2 |
50 |
|
Зовнішній діаметр кільця D3 |
90 |
|
Внутрішній діаметр кільця D4 |
50 |
|
Висота буртика E |
18 |
|
Ширина канавки F |
6 |
|
Висота болта без різьблення H |
90 |
|
Товщина кільця K |
20 |
|
Довжина різьблення L |
36 |
|
Допустиме навантаження вздовж осі рим-болта А, кг |
1800 |
|
Допустиме навантаження під кутом 45º до осі рим-болта В, кг |
1290 |
Купити рим-болти ГОСТ або DIN з нержавіючої сталі в Україні ви можете на сайті компанії «Зевс». Представлені металовироби, ціна на які нижча за ринкову, пройшли низку додаткових перевірок на якість і мають відповідні сертифікати та гарантію від виробника - 36 місяців. Зателефонувавши за телефоном, вказаним на сайті, наші менеджери нададуть вам повну інформацію щодо підбору, сумісності та встановлення кріплення. Доставка можлива у будь-яку точку країни. Для постійних клієнтів та оптових покупців діє гнучка система знижок.
Рым-болты нержавеющие М24 ГОСТ 4751-73
Технічні характеристики
- Матеріал кріпильного виробуНержавіюча сталь
- Тип кріпильного виробуРим-болт
- Метричне різьблення, М24
- Гарантійний термін36
- СтанНове
Відгуків про цей товар ще не було.
