- Які характеристики має товар Рим-болти нержавіючі М30 ГОСТ 4751-73? ❯
- Яка ціна товару Рим-болти нержавіючі М30 ГОСТ 4751-73 і чи вона актуальна? ❯
- До якої категорії належить товар Рим-болти нержавіючі М30 ГОСТ 4751-73? ❯
- Чи можна замовити доставку для товару Рим-болти нержавіючі М30 ГОСТ 4751-73? ❯
- Які переваги покупки Рим-болти нержавіючі М30 ГОСТ 4751-73 саме у цього виробника KrepZevs? ❯
- Де можна знайти інші товари, схожі на Рим-болти нержавіючі М30 ГОСТ 4751-73? ❯
- ВиробникKrepZevs
- НаявністьВ наявності
- Матеріал кріпильного виробуНержавіюча сталь
- Тип кріпильного виробуРим-болт
- Усі характеристики
- Мінімальна сумма замовлення - 2000 грн
- Надійна сировина та обладнання: Компанія використовує перевірену сировину та сучасне обладнання для виробництва кріпильних елементів.
- Дослідна команда: Виробництвом стандартних та спеціальних рішень займається команда професіоналів.
- Співпраця з виробниками: Компанія співпрацює з відповідальними заводами-виробниками з України та Європи.
Рим-болти М30 ГОСТ 4751-73 з нержавіючої сталі
Виробництво рим-болтів М30 відбувається згідно з вітчизняним стандартом ГОСТ 4751-73 або його зарубіжним аналогом DIN 580. Відповідно до цих регламентів, метизи – являють собою кільце, з прикріпленим до нього різьбовим хвостовиком, який, під час монтування, поміщається у спеціальне різьбове або з'єднується з рим-гайкою.
Матеріалом для виготовлення є якісна нержавіюча сталь. Завдяки цьому елементи активно застосовуються в агресивному або солоному середовищі, наприклад в портах, де з їх допомогою пришвартовують кораблі.
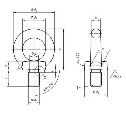
Креслення рим-болта ГОСТ 4751-73

Технічні характеристики (мм):
|
Номінальний діаметр різьблення D1 |
М30 |
|
Крок різьблення P |
3,5 |
|
Діаметр буртика D2 |
65 |
|
Зовнішній діаметр кільця D3 |
108 |
|
Внутрішній діаметр кільця D4 |
60 |
|
Висота буртика E |
22 |
|
Ширина канавки F |
7 |
|
Висота болта без різьблення H |
109 |
|
Товщина кільця K |
24 |
|
Довжина різьблення L |
45 |
|
Допустиме навантаження вздовж осі рим-болта А, кг |
3200 |
|
Допустиме навантаження під кутом 45º до осі рим-болта В, кг |
2300 |
Купити рим-болти ГОСТ або DIN з нержавіючої сталі в Україні ви можете на сайті компанії «Зевс». Представлені металовироби, ціна на які нижча за ринкову, пройшли низку додаткових перевірок на якість і мають відповідні сертифікати та гарантію від виробника - 36 місяців. Зателефонувавши за телефоном, вказаним на сайті, наші менеджери нададуть вам повну інформацію щодо підбору, сумісності та встановлення кріплення. Доставка можлива у будь-яку точку країни. Для постійних клієнтів та оптових покупців діє гнучка система знижок.
Рым-болты нержавеющие М30 ГОСТ 4751-73
Технічні характеристики
- Матеріал кріпильного виробуНержавіюча сталь
- Тип кріпильного виробуРим-болт
- Метричне різьблення, М30
- Гарантійний термін36
- СтанНове
Відгуків про цей товар ще не було.
