- Які характеристики має товар Рим-гайка М16 DIN 582 з нержавійки? ❯
- Яка ціна товару Рим-гайка М16 DIN 582 з нержавійки і чи вона актуальна? ❯
- До якої категорії належить товар Рим-гайка М16 DIN 582 з нержавійки? ❯
- Чи можна замовити доставку для товару Рим-гайка М16 DIN 582 з нержавійки? ❯
- Які переваги покупки Рим-гайка М16 DIN 582 з нержавійки саме у цього виробника KrepZevs? ❯
- Де можна знайти інші товари, схожі на Рим-гайка М16 DIN 582 з нержавійки? ❯
- ВиробникKrepZevs
- НаявністьВ наявності
- Діаметр основи35
- Матеріал кріпильного виробуНержавіюча сталь
- Усі характеристики
- Мінімальна сумма замовлення - 2000 грн
- Надійна сировина та обладнання: Компанія використовує перевірену сировину та сучасне обладнання для виробництва кріпильних елементів.
- Дослідна команда: Виробництвом стандартних та спеціальних рішень займається команда професіоналів.
- Співпраця з виробниками: Компанія співпрацює з відповідальними заводами-виробниками з України та Європи.
Рим-гайка М16 DIN 582 з нержавіючої сталі А2 та А4
Рим-гайка М16 нержавіюча виробляється за DIN 582 для використання у вологому або агресивному середовищі при частому контакті з вологою. Метиз складається з широкого вуха і основи, всередині якого розташовується метричне різьблення. Найчастіше рим-гайки використовують разом із рим-болтами, цим формуючи подібність ланки ланцюга разъемного типу.
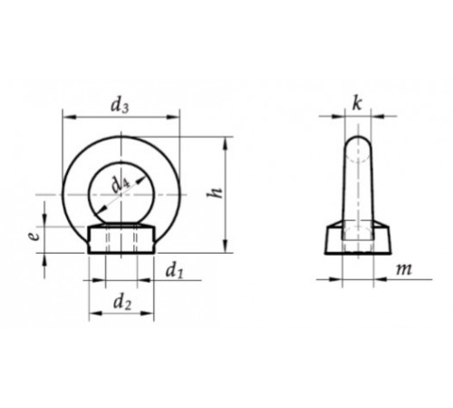
Конструкція рим-гайки DIN 582

Основні технічні характеристики рим-гайки DIN 582 з нержавіючої сталі
|
Номінальний діаметр різьблення, d, мм |
Зовнішній діаметр гайки, d2, мм |
Зовнішній діаметр кільця, d3, мм |
Внутрішній діаметр кільця, d4, мм |
Висота нарізної частини, m, мм |
Висота рим-гайки, h, мм |
Товщина кільця, k, мм |
Робоче навантаження (сила докладена уздовж осі рим-гайки), n, кг |
Робоче навантаження (сила докладена до осі рим-гайки під кутом 45° в площині кільця) n45, кг |
Вага, p, кг/шт |
|
M16 |
35 |
63 |
35 |
13 |
62 |
14 |
700 |
500 |
0.24 |
Де купити нержавіючі рим-гайки в Україні?
Довіряйте вітчизняному виробнику з великим досвідом роботи! Ми – команда професіоналів, які працюють у компанії «Зевс». Спеціалізуємось на створенні та продажу металовиробів для оптовиків по всій Україні. У нас можна замовити безкоштовну консультацію, купити рим-гайки DIN 582 за демократичною вартістю, а також отримати хорошу знижку, що зростає пропорційно розміру замовлення.
Рым-гайка М16 DIN 582 из нержавейки
Технічні характеристики
- Діаметр основи35
- Матеріал кріпильного виробуНержавіюча сталь
- Максимальне навантаження (розтяг під кутом 45°)0.5
- Тип кріпильного виробуРим-гайка
- Зовнішній діаметр кільця63
- Вага0.24
- Внутрішній діаметр кільця35
- Максимальне навантаження (пряме розтягування)0.7
- Метричне різьблення, М16
- Гарантійний термін36
- СтанНове
Відгуків про цей товар ще не було.
