- Які характеристики має товар Рим-гайка М30 DIN 582? ❯
- Яка ціна товару Рим-гайка М30 DIN 582 і чи вона актуальна? ❯
- До якої категорії належить товар Рим-гайка М30 DIN 582? ❯
- Чи можна замовити доставку для товару Рим-гайка М30 DIN 582? ❯
- Які переваги покупки Рим-гайка М30 DIN 582 саме у цього виробника KrepZevs? ❯
- Де можна знайти інші товари, схожі на Рим-гайка М30 DIN 582? ❯
- ВиробникKrepZevs
- НаявністьВ наявності
- Висота109
- ПокриттяЦинк
- Усі характеристики
- Мінімальна сумма замовлення - 2000 грн
- Надійна сировина та обладнання: Компанія використовує перевірену сировину та сучасне обладнання для виробництва кріпильних елементів.
- Дослідна команда: Виробництвом стандартних та спеціальних рішень займається команда професіоналів.
- Співпраця з виробниками: Компанія співпрацює з відповідальними заводами-виробниками з України та Європи.
Рим-гайка М30 DIN 582
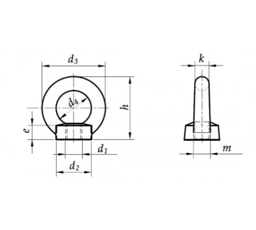
Проведення такелажних робіт доцільно при використанні універсального елемента – рим-гайки М30 DIN 582. Вона являє собою кільце круглої або еліптичної форми, за яке чіпляється елемент пересувної системи, та основа з різьбленням для закріплення на стрижні (болті, гвинті, шпильці і т.д.).
Конструкція рим-гайок DIN 582

Основні характеристики рим-гайки DIN 582
|
Характеристика |
Позначення |
Значення, мм |
|
Номінальний діаметр різьблення |
d1 |
М30 |
|
Зовнішній діаметр гайки |
d2nom |
65 |
|
Зовнішній діаметр кільця |
d3nom |
108 |
|
Внутрішній діаметр кільця |
d4nom |
60 |
|
Висота різьбової частини |
e |
25 |
|
Висота рим-гайки |
hnom |
109 |
|
Товщина кільця |
knom |
24 |
|
Товщина кільця біля основи |
mnom |
28 |
|
Робоче навантаження, кг |
n |
3200 |
|
Робоче навантаження, прикладене до осі рим-гайки під кутом 45°, кг |
n45 |
2300 |
|
Вага, кг |
p |
1,32 |
Компанія «Зевс» пропонує кріплення з різних матеріалів, типорозмірів, що повністю відповідає стандартам і пройшло необхідні випробування. Купівля металовиробів у нас - це зручний та легкий спосіб отримати якісні вироби за найбільш вигідними в Україні цінами. Гарантія якості на елементи кріплення – 3 роки з моменту придбання. Для постійних клієнтів та оптових покупців діє гнучка система знижок.
Рым-гайка М30 DIN 582
Технічні характеристики
- Висота109
- ПокриттяЦинк
- Матеріал гайкиСталь
- Вага1.32
- Вид гайкиРим-гайка
- Метричне різьблення, М30
- Гарантійний термін36
- СтанНове
- СтандартDIN 582
Відгуків про цей товар ще не було.
