- Які характеристики має товар Шайба Ф115 стопорна багатолапчаста ГОСТ 11872-80, DIN 5406? ❯
- Яка ціна товару Шайба Ф115 стопорна багатолапчаста ГОСТ 11872-80, DIN 5406 і чи вона актуальна? ❯
- До якої категорії належить товар Шайба Ф115 стопорна багатолапчаста ГОСТ 11872-80, DIN 5406? ❯
- Чи можна замовити доставку для товару Шайба Ф115 стопорна багатолапчаста ГОСТ 11872-80, DIN 5406? ❯
- Які переваги покупки Шайба Ф115 стопорна багатолапчаста ГОСТ 11872-80, DIN 5406 саме у цього виробника KrepZevs? ❯
- Де можна знайти інші товари, схожі на Шайба Ф115 стопорна багатолапчаста ГОСТ 11872-80, DIN 5406? ❯
- ВиробникKrepZevs
- НаявністьВ наявності
- Вид шайбиСтопорна з лапками
- Внутрішній діаметр116
- Усі характеристики
- Мінімальна сумма замовлення - 2000 грн
- Надійна сировина та обладнання: Компанія використовує перевірену сировину та сучасне обладнання для виробництва кріпильних елементів.
- Дослідна команда: Виробництвом стандартних та спеціальних рішень займається команда професіоналів.
- Співпраця з виробниками: Компанія співпрацює з відповідальними заводами-виробниками з України та Європи.
Стопорна багатолапчаста шайба Ф115 ГОСТ 11872-80, DIN 5406
Шайба стопор ГОСТ 11872-80 виготовляється з конструкційних сталей. За бажанням замовника на неї наноситься цинкове покриття. Ціна оцинкування невелика, проте таке кріплення відрізняється більш тривалим терміном служби та захистом від корозійних процесів.
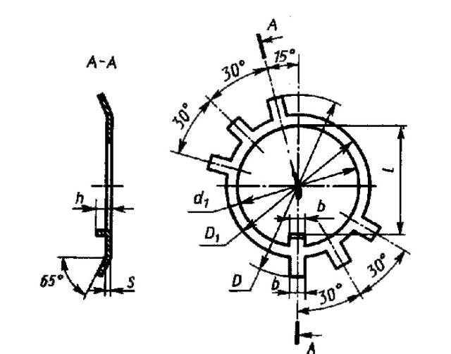
Шайба Ф115, що відповідає DIN 5406 називається:
- багатолапчастою - так як по її колу розташовані спеціальні виступи для фіксації;
- стопорний - оскільки призначена шайба Ф115 для стопоріння шліцевої гайки М115.

Розміри шайби багатолапчастої Ф115 (мм):
|
Характеристика |
Позначення |
Значення |
|
Внутрішній діаметр |
d1 |
116 |
|
Діаметр описаного кола |
d2 |
157 |
|
Зовнішній діаметр |
d3 |
135 |
|
Ширина лапки |
b |
13.5 |
|
Відстань до виступу |
l |
111 |
|
Радіус скруглення, не більше |
r |
1 |
|
Товщина шайби |
s |
2 |
Звернувшись до менеджерів компанії «Зевс», Ви зможете купити кріплення з нержавіючої сталі, латуні або конструкційних сталей. Доставляємо замовлення у будь-який регіон країни. Гарантія якості виробу – 36 місяців із моменту придбання. Для постійних клієнтів та оптових покупців діє гнучка система знижок. Ціна металовиробів вас порадує, тому що ми завжди прагнемо довгострокових взаємовигідних відносин з клієнтами, а не одноразової вигоди. Телефонуйте!
Шайба Ф115 стопорная многолапчатая ГОСТ 11872-80, DIN 5406
Технічні характеристики
- Вид шайбиСтопорна з лапками
- Внутрішній діаметр116
- Зовнішній діаметр135
- Товщина шайби2
- Матеріал шайбиСталь
- Гарантійний термін36
- СтанНове
Відгуків про цей товар ще не було.
