- Які характеристики має товар Шайба Ф200 стопорна багатолапчаста ГОСТ 11872-80, DIN 5406? ❯
- Яка ціна товару Шайба Ф200 стопорна багатолапчаста ГОСТ 11872-80, DIN 5406 і чи вона актуальна? ❯
- До якої категорії належить товар Шайба Ф200 стопорна багатолапчаста ГОСТ 11872-80, DIN 5406? ❯
- Чи можна замовити доставку для товару Шайба Ф200 стопорна багатолапчаста ГОСТ 11872-80, DIN 5406? ❯
- Які переваги покупки Шайба Ф200 стопорна багатолапчаста ГОСТ 11872-80, DIN 5406 саме у цього виробника KrepZevs? ❯
- Де можна знайти інші товари, схожі на Шайба Ф200 стопорна багатолапчаста ГОСТ 11872-80, DIN 5406? ❯
- ВиробникKrepZevs
- НаявністьВ наявності
- Вид шайбиСтопорна з лапками
- Внутрішній діаметр201
- Усі характеристики
- Мінімальна сумма замовлення - 2000 грн
- Надійна сировина та обладнання: Компанія використовує перевірену сировину та сучасне обладнання для виробництва кріпильних елементів.
- Дослідна команда: Виробництвом стандартних та спеціальних рішень займається команда професіоналів.
- Співпраця з виробниками: Компанія співпрацює з відповідальними заводами-виробниками з України та Європи.
Шайба стопорна багатолапчаста Ф200 ГОСТ 11872-80, DIN 5406
Шайбу Ф200, що відповідає вимогам стандартів ГОСТ 11872-80 та DIN 5406, називають:
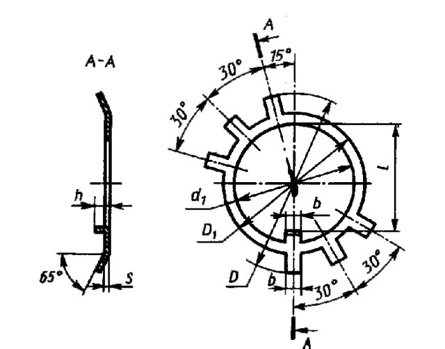
- багатолапчаста, так як на її внутрішній і зовнішній поверхнях розташовуються лапки для загину в збігаються пази валу і гайки;
- стопорна, оскільки призначенням шайби Ф200 є стопоріння шліцевої гайки такого ж типорозміру.
Багатолапчасті шайби виготовляються з вуглецевої сталі. За бажанням може бути нанесене цинкове покриття, що захищає шайбу від іржі.

Розміри шайби багатолапчастої Ф200 (мм):
|
Характеристика |
Позначення |
Значення |
|
Діаметр різьби гайки |
d |
200 |
|
Внутрішній діаметр |
d1 |
201 |
|
Діаметр описаного кола |
d2 |
252 |
|
Зовнішній діаметр |
d3 |
225 |
|
Ширина лапки |
b |
15.5 |
|
Відстань до виступу |
l |
195 |
|
Радіус скруглення, не більше |
r |
1.6 |
|
Товщина шайби |
s |
2.5 |
|
Вага однієї шайби, г |
|
182.0 |
Звернувшись до менеджерів компанії «Зевс», Ви зможете купити кріплення з нержавіючої сталі, латуні або конструкційних сталей. Доставляємо замовлення у будь-який регіон країни. Гарантія якості виробу – 36 місяців із моменту придбання. Для постійних клієнтів та оптових покупців діє гнучка система знижок. Ціна металовиробів вас порадує, тому що ми завжди прагнемо довгострокових взаємовигідних відносин з клієнтами, а не одноразової вигоди. Телефонуйте!
Шайба Ф200 стопорная многолапчатая ГОСТ 11872-80, DIN 5406
Технічні характеристики
- Вид шайбиСтопорна з лапками
- Внутрішній діаметр201
- Зовнішній діаметр225
- Товщина шайби2.5
- Матеріал шайбиСталь
- Гарантійний термін36
- СтанНове
Відгуків про цей товар ще не було.
