- Які характеристики має товар Шайба Ф3 ГОСТ 6958-78 зі сталі А4? ❯
- Яка ціна товару Шайба Ф3 ГОСТ 6958-78 зі сталі А4 і чи вона актуальна? ❯
- До якої категорії належить товар Шайба Ф3 ГОСТ 6958-78 зі сталі А4? ❯
- Чи можна замовити доставку для товару Шайба Ф3 ГОСТ 6958-78 зі сталі А4? ❯
- Які переваги покупки Шайба Ф3 ГОСТ 6958-78 зі сталі А4 саме у цього виробника KrepZevs? ❯
- Де можна знайти інші товари, схожі на Шайба Ф3 ГОСТ 6958-78 зі сталі А4? ❯
- ВиробникKrepZevs
- НаявністьВ наявності
0.32 грн./шт.
5000 або більше -
0.30 грн./шт.
- Вид шайбиПлоска збільшена
- Внутрішній діаметр3.2
- Усі характеристики
- Мінімальна сумма замовлення - 2000 грн
- Надійна сировина та обладнання: Компанія використовує перевірену сировину та сучасне обладнання для виробництва кріпильних елементів.
- Дослідна команда: Виробництвом стандартних та спеціальних рішень займається команда професіоналів.
- Співпраця з виробниками: Компанія співпрацює з відповідальними заводами-виробниками з України та Європи.
0.32 грн./шт.
5000 або більше -
0.30 грн./шт.
Шайба збільшена Ф3 ГОСТ 6958-78 зі сталі А4
Збільшена плоска шайба Ф3 ГОСТ 6958-78 називається кузовною за те, що часто використовується для формування з'єднань у тих вузлах, де потрібно розподіл навантаження на велику поверхню, ніж у стандартному кріпленні.
У нас ви можете замовити нержавіючу збільшену шайбу ГОСТ 6958-78 або DIN 9021 із кислотостійкої сталі А4.
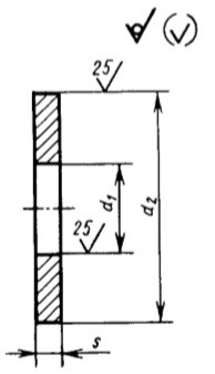
Конструкція збільшеної шайби ГОСТ 6958-78 виконання 1

Основні технічні характеристики
|
Діаметр різьблення кріпильної деталі, мм |
Внутрішній діаметр, мм, d1 |
Зовнішній діаметр, мм, d2 |
Товщина шайби, мм, s |
|
|
Клас точності |
||||
|
А |
С |
|||
|
3.0 |
3.2 |
3.4 |
9.0 |
0.8 |
Величезний асортимент кріплення із сталі та кольорових металів на сайті виробника заводу «Зевс»!
Співпраця з нами – це завжди вигідно:
- Чесна гарантія на шайби ГОСТ 6958-78 із сталі А4 – 36 місяців.
- Детальне консультування.
- Робота по всій Україні з оперативною обробкою заявки та швидкою доставкою.
- Надання зручної цінової політики для оптовиків.
- Використання тільки якісної сировини, що пройшла сертифікацію.
Шайба Ф3 ГОСТ 6958-78 из стали А4
Технічні характеристики
- Вид шайбиПлоска збільшена
- Внутрішній діаметр3.2
- Зовнішній діаметр9
- Товщина шайби0.8
- Матеріал шайбиНержавіюча сталь
- Гарантійний термін36
- СтанНове
Відгуків: 0
Відгуків про цей товар ще не було.
Схожі товари
купити болти, різьбові заклепки, анкерні болти, болти м8, din 7991, купить болты, магазин металовиробів, металовироби купити, купити шурупи, металовироби харків, купити болти гайки, купити гайки, анкерні болт, болты, шурупи, метричне різьблення з великим кроком, магазин кріплення каталог, болти з нержавіючої сталі купити, Мотор-редуктор 3МП, Мотор-редуктори МЧ, Кранові редуктори Ц2, анкера, Name, din 603, din 7981, заклепки, різьбове заклепування, заклепка алюмінієва, болт м3, болт м8 під шестигранник, гайка м14, din 912, болт м8, болт м 8, din933, болт м10, болт м6, болт м 10, din934, крепеж, болт м12 размеры, болт м14 1.5, болт м5 под шестигранник, болт м 18, болт м 9, болт м7 шаг 1, болт м9, болт м 24, din 6325, din 6799, din 11024, din 6334, din 929, дин 912, магазин крепежа харьков, крепёжный магазин, гайки купить, метизы оптом, крепеж харьков, крепежи магазин, магазин болтов, гайки и болты, болты харьков, болты гайки шайбы, болты 10.9, болты 8.8, винты м8, болт нержавеющий м8, болты госты, стопорные гайки, магазин метизов киев, крепежные изделия, купить винты, болты киев, болты нержавейка, болты с гайкой, болт нержавійка, купить болт м8, болт м8 нержавейка, купить болт м 10, купить болты м10, купить болты м8
