- Які характеристики має товар Шайба Ф50 стопорна багатолапчаста ГОСТ 11872-80, DIN 5406? ❯
- Яка ціна товару Шайба Ф50 стопорна багатолапчаста ГОСТ 11872-80, DIN 5406 і чи вона актуальна? ❯
- До якої категорії належить товар Шайба Ф50 стопорна багатолапчаста ГОСТ 11872-80, DIN 5406? ❯
- Чи можна замовити доставку для товару Шайба Ф50 стопорна багатолапчаста ГОСТ 11872-80, DIN 5406? ❯
- Які переваги покупки Шайба Ф50 стопорна багатолапчаста ГОСТ 11872-80, DIN 5406 саме у цього виробника KrepZevs? ❯
- Де можна знайти інші товари, схожі на Шайба Ф50 стопорна багатолапчаста ГОСТ 11872-80, DIN 5406? ❯
- ВиробникKrepZevs
- НаявністьВ наявності
- Вид шайбиСтопорна з лапками
- Внутрішній діаметр50
- Усі характеристики
- Мінімальна сумма замовлення - 2000 грн
- Надійна сировина та обладнання: Компанія використовує перевірену сировину та сучасне обладнання для виробництва кріпильних елементів.
- Дослідна команда: Виробництвом стандартних та спеціальних рішень займається команда професіоналів.
- Співпраця з виробниками: Компанія співпрацює з відповідальними заводами-виробниками з України та Європи.
Стопорна багатолапчаста шайба Ф50 DIN 5406
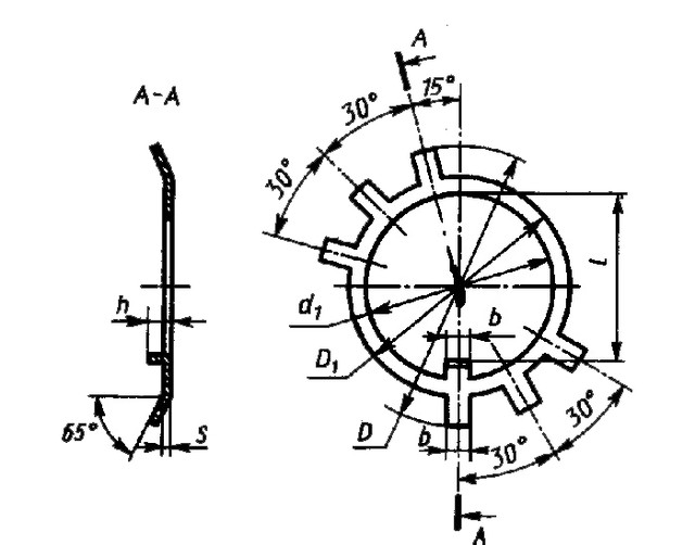
Стопорна шайба Ф50 використовується для стопоріння шліцевої гайки із внутрішнім діаметром 50 (мм). Ця пара кріплення незамінна для закріплення концентричних елементів на валах. Для монтажу внутрішню лапку шайби потрібно відігнути на 90 градусів та встановити у паз на стрижні. Після цього з натягом навертають шліцеву гайку. Загнуті в шліц гайки лапки забезпечують контровку з'єднання.
Багатолапчасті шайби можуть виконуватися за декількома стандартами, що мають незначні відмінності:
- ГОСТ 11872-80;
- DIN 5406.

Розміри шайби багатолапчастої Ф50 (мм):
|
Характеристика |
Позначення |
Значення |
|
Внутрішній діаметр |
d1 |
50.2 |
|
Діаметр описаного кола |
d2 |
80 |
|
Зовнішній діаметр |
d3 |
60 |
|
Ширина лапки |
b |
6.8 |
|
Відстань до виступу |
l |
47 |
|
Радіус скруглення, не більше |
r |
0.8 |
|
Товщина шайби |
s |
1.6 |
|
Вага однієї шайби, м |
|
18.82 |
Звернувшись до менеджерів компанії «Зевс», Ви зможете купити кріплення з нержавіючої сталі, латуні або конструкційних сталей. Доставляємо замовлення у будь-який регіон країни. Гарантія якості виробу – 36 місяців із моменту придбання. Для постійних клієнтів та оптових покупців діє гнучка система знижок. Ціна металовиробів вас порадує, тому що ми завжди прагнемо довгострокових взаємовигідних відносин з клієнтами, а не одноразової вигоди. Телефонуйте!
Шайба Ф50 стопорная многолапчатая ГОСТ 11872-80, DIN 5406
Технічні характеристики
- Вид шайбиСтопорна з лапками
- Внутрішній діаметр50
- Зовнішній діаметр74
- Товщина шайби1.25
- Матеріал шайбиСталь
- Гарантійний термін36
- СтанНове
Відгуків про цей товар ще не було.
