- Які характеристики має товар Шайба із двома лапками М8 DIN 463 сталь А2? ❯
- Яка ціна товару Шайба із двома лапками М8 DIN 463 сталь А2 і чи вона актуальна? ❯
- До якої категорії належить товар Шайба із двома лапками М8 DIN 463 сталь А2? ❯
- Чи можна замовити доставку для товару Шайба із двома лапками М8 DIN 463 сталь А2? ❯
- Які переваги покупки Шайба із двома лапками М8 DIN 463 сталь А2 саме у цього виробника KrepZevs? ❯
- Де можна знайти інші товари, схожі на Шайба із двома лапками М8 DIN 463 сталь А2? ❯
- ВиробникKrepZevs
- НаявністьВ наявності
- Вид шайбиСтопорна з лапками
- Внутрішній діаметр8.4
- Усі характеристики
- Мінімальна сумма замовлення - 2000 грн
- Надійна сировина та обладнання: Компанія використовує перевірену сировину та сучасне обладнання для виробництва кріпильних елементів.
- Дослідна команда: Виробництвом стандартних та спеціальних рішень займається команда професіоналів.
- Співпраця з виробниками: Компанія співпрацює з відповідальними заводами-виробниками з України та Європи.
Шайба з двома лапками DIN 463 із нержавіючої сталі А2
Шайба з двома лапками М8 DIN 463 – кріпильний виріб, призначений для стопоріння різьбових з'єднань. Використовується у промисловості – виробництві верстатів, транспортних засобів та іншого обладнання. Виготовляється з аустенітної нержавіючої сталі А2.
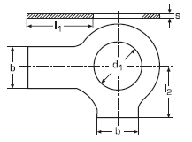
Кріплення має форму кільця з двома виступами по краях, що розташовані в одній площині. Кут між ними становить 90 градусів. Метиз встановлюється між голівкою болта та гайкою. Лапки його відгинаються вгору і вниз, зачіплюються за верхню поверхню голівки та її бічну грань. Це забезпечує надійну фіксацію кріплення та запобігає відгвинчуванню з'єднання. Ще одна перевага деталі - стійкість до корозії, тому її можна застосовувати в приміщеннях з підвищеною вологістю.

Технічні характеристики шайби М8 (мм):
|
Номінальний діаметр |
8 |
|
Внутрішній діаметр |
8.4 |
|
Зовнішній діаметр |
17 |
|
Товщина |
0.75 мм |
|
Коротка лапка |
11 |
|
Довга лапка |
20 |
|
Ширина лапки |
8 |
Купити шайбу з двома лапками М8, що відповідає стандарту DIN 463, можна на сайті компанії «Зевс». Тут ви знайдете великий асортимент метизної продукції, ціни на яку нижчі за ринкові. Для оптовиків діє система знижок. Менеджери проконсультують вас та допоможуть оформити замовлення. Звертайтесь!
Шайба с двумя лапками М8 DIN 463 сталь А2
Технічні характеристики
- Вид шайбиСтопорна з лапками
- Внутрішній діаметр8.4
- Зовнішній діаметр17
- Товщина шайби0.75
- Матеріал шайбиНержавіюча сталь
- Супровідний документСертифікат
- Гарантійний термін36
- СтанНове
- СтандартDIN 463
- Матеріал виготовленняНержавіюча сталь А2
- Марка сталиА2-70, AISI 304
Відгуків про цей товар ще не було.
