- Які характеристики має товар Шплінт Ф3.2 ГОСТ 397-79 розвідний? ❯
- Яка ціна товару Шплінт Ф3.2 ГОСТ 397-79 розвідний і чи вона актуальна? ❯
- До якої категорії належить товар Шплінт Ф3.2 ГОСТ 397-79 розвідний? ❯
- Чи можна замовити доставку для товару Шплінт Ф3.2 ГОСТ 397-79 розвідний? ❯
- Які переваги покупки Шплінт Ф3.2 ГОСТ 397-79 розвідний саме у цього виробника KrepZevs? ❯
- Де можна знайти інші товари, схожі на Шплінт Ф3.2 ГОСТ 397-79 розвідний? ❯
- ВиробникKrepZevs
- НаявністьВ наявності
- Тип шплінтуРозвідний
- Матеріал шплінтуСталь
- Усі характеристики
- Мінімальна сумма замовлення - 2000 грн
- Надійна сировина та обладнання: Компанія використовує перевірену сировину та сучасне обладнання для виробництва кріпильних елементів.
- Дослідна команда: Виробництвом стандартних та спеціальних рішень займається команда професіоналів.
- Співпраця з виробниками: Компанія співпрацює з відповідальними заводами-виробниками з України та Європи.
Шплінт сталевий Ф3.2 ГОСТ 397-79 розвідний
Використовуйте сталеві розвідні шплінти Ф3.2 ГОСТ 397-79, щоб зміцнити з'єднання, що працює при вібраційних навантаженнях. Завдяки установці даного металовиробу ви зможете захистити кріплення від ослаблення та негативних наслідків - самовідгвинчування. Виріб виготовляється зі звичайними властивостями, із вуглецевої або нержавіючої сталі. Монтується елемент у заздалегідь просвердлений отвір різних кріпильних деталей, після чого його кінці розводять у різні боки, створюючи надійну конструкцію чи споруду.
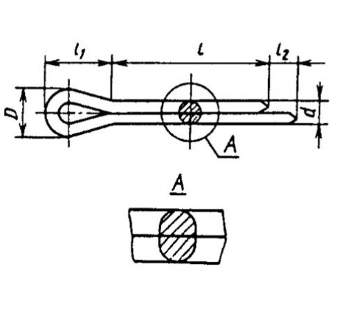
Конструкція шплінта ГОСТ 397-79

Основні характеристики:
|
Умовний діаметр шплінта d0 |
3,2 |
||
|
найб. |
2,9 |
||
|
d |
найм. |
2,7 |
|
|
L2 |
найб. |
3,2 |
|
|
найм. |
1,6 |
||
|
L1 |
6,4 |
||
|
найб. |
5,8 |
||
|
D |
найм. |
5,1 |
|
|
Рекомендовані діаметри |
Болт |
понад |
11,0 |
|
до |
14,0 |
||
|
Штифт, вісь |
понад |
9,0 |
|
|
до |
12,0 |
||
Не знаєте, де вигідно купити розвідний шплінт ГОСТ 397-79? Ми допоможемо вам підібрати відповідний елемент! Менеджери компанії «Зевс» нададуть будь-яку цікаву для вас інформацію. Купуючи товар на нашому підприємстві, ви отримуєте максимальну якість металовиробу, при мінімальному терміні комплектування замовлення. Для постійних клієнтів та оптових покупців діє гнучка система знижок. Вся продукція постачається після попередньої перевірки у ВТК.
Шплинт Ф3.2 ГОСТ 397-79 разводной
Технічні характеристики
- Тип шплінтуРозвідний
- Матеріал шплінтуСталь
- ПокриттяЦинк без покриття
- Довжина шплінту10
- Умовний діаметр шплінту3.2
- Гарантійний термін36
- СтанНове
Відгуків про цей товар ще не було.
