- Які характеристики має товар Шплінт Ф8.0 DIN 94 розвідний? ❯
- Яка ціна товару Шплінт Ф8.0 DIN 94 розвідний і чи вона актуальна? ❯
- До якої категорії належить товар Шплінт Ф8.0 DIN 94 розвідний? ❯
- Чи можна замовити доставку для товару Шплінт Ф8.0 DIN 94 розвідний? ❯
- Які переваги покупки Шплінт Ф8.0 DIN 94 розвідний саме у цього виробника KrepZevs? ❯
- Де можна знайти інші товари, схожі на Шплінт Ф8.0 DIN 94 розвідний? ❯
- ВиробникKrepZevs
- НаявністьВ наявності
- Тип шплінтуРозвідний
- Матеріал шплінтуСталь
- Усі характеристики
- Мінімальна сумма замовлення - 2000 грн
- Надійна сировина та обладнання: Компанія використовує перевірену сировину та сучасне обладнання для виробництва кріпильних елементів.
- Дослідна команда: Виробництвом стандартних та спеціальних рішень займається команда професіоналів.
- Співпраця з виробниками: Компанія співпрацює з відповідальними заводами-виробниками з України та Європи.
Шплінт сталевий Ф8.0 DIN 94 розвідний
Сталеві розвідні шплінти Ф8 DIN 94 відіграють роль підсилюючих з'єднання металовиробів, що дозволяють деталям надійно утримувати жорстке положення навіть за наявності вібраційних впливів. Кріплення даного типорозміру може бути вироблено з вуглецевої сталі. Також ми пропонуємо купити шплінти DIN 94 нержавіючі для експлуатації в агресивному середовищі (кислота, луг).
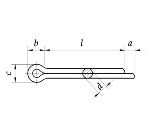
Конструкція шплінта DIN 94

Основні характеристики:
|
d1 |
8 |
|
a max |
4 |
|
b |
16 |
|
c min |
13,1 |
|
c max |
15 |
|
32 |
v |
|
36 |
v |
|
40 |
v |
|
45 |
v |
|
50 |
v |
|
56 |
v |
|
63 |
v |
|
71 |
v |
|
80 |
v |
|
90 |
v |
|
100 |
v |
|
112 |
v |
|
125 |
v |
|
140 |
v |
Шукаєте, де купити шплінт DIN 94 в Україні дешево? Звертайтесь до менеджерів заводу «Зевс»! Купуючи товар на нашому підприємстві, ви отримуєте найнижчі ціни. Швидке оформлення замовлення на нашому сайті або за телефоном. Завжди на складі великий вибір продукції. Ви можете забрати продукцію самостійно зі складу у місті Харків або на одному з відділень транспортних компаній "Нова пошта" у вашому місті.
Шплинт Ф8.0 DIN 94 разводной
Технічні характеристики
- Тип шплінтуРозвідний
- Матеріал шплінтуСталь
- ПокриттяЦинк без покриття
- Довжина шплінту36
- Умовний діаметр шплінту8
- Гарантійний термін36
- СтанНове
Відгуків про цей товар ще не було.