- Які характеристики має товар Циліндричний редуктор РЦД-350 10? ❯
- Яка ціна товару Циліндричний редуктор РЦД-350 10 і чи вона актуальна? ❯
- До якої категорії належить товар Циліндричний редуктор РЦД-350 10? ❯
- Чи можна замовити доставку для товару Циліндричний редуктор РЦД-350 10? ❯
- Які переваги покупки Циліндричний редуктор РЦД-350 10 саме у цього виробника KrepZevs? ❯
- Де можна знайти інші товари, схожі на Циліндричний редуктор РЦД-350 10? ❯
- ВиробникKrepZevs
- НаявністьВ наявності
- ТипРедуктор
- Тип редуктораЦиліндричний
- Усі характеристики
- Мінімальна сумма замовлення - 2000 грн
- Надійна сировина та обладнання: Компанія використовує перевірену сировину та сучасне обладнання для виробництва кріпильних елементів.
- Дослідна команда: Виробництвом стандартних та спеціальних рішень займається команда професіоналів.
- Співпраця з виробниками: Компанія співпрацює з відповідальними заводами-виробниками з України та Європи.
Редуктор РЦД - 350
Призначення двоступінчастого редуктора РЦД-350 полягає у збільшенні моменту, що крутить, і зменшенні частоти обертання в приводах різного виробничого обладнання. Ці пристрої оснащені циліндричним типом передачі з горизонтальним виконанням валів.
Навантаження, що подається на редуктор, може бути постійне, змінне, одного напрямку та реверсивне. Обертання валів різноспрямоване, з максимальною швидкістю обертання вхідного валу до 1500 оборотів в хвилину. Такі агрегати призначені для роботи в місцях з помірним та тропічним кліматом.
Купити редуктор РЦД, ціна якого нижча за ринкову, ви можете прямо зараз. Для цього вам потрібно зателефонувати за номером, вказаним на сайті або залишити заявку on-line. Ми оперативно обробляємо запити і завжди готові допомогти підібрати необхідний пристрій. Компанія «Зевс» вже понад 10 років займається виробництвом редукторів. Купуючи у нас перетворювач, ви отримуєте пристрій високої якості із тривалим експлуатаційним терміном. У комплекті з редуктором йде унікальний паспорт з усіма документами, що сертифікують, і гарантією на 12 місяців. Ми здійснюємо постачання редукторів та комплектуючих по всій Україні.
Габаритні і приєднувальні характеристики редуктора РЦД-350

|
Типорозмір |
Аз |
Ат |
А1 |
А2 |
А3 |
B |
В1 |
У2 |
H |
Н1 |
h |
L |
L1 |
L2 |
L3 |
M |
d |
n |
|
мм |
шт |
|||||||||||||||||
|
РЦД-350 |
350 |
200 |
164 |
240 |
480 |
320 |
255 |
320 |
410 |
212 |
24 |
700 |
545 |
260 |
290 |
235 |
23 |
6 |
Основні технічні характеристики редуктора РЦД-350
|
Типорозмір |
Передавальне число |
Номінальний момент, що крутить, Н*м |
Маса, кг |
Awc |
AwT |
AwБ |
|
РЦД-350 |
10, 16, 20, 25, 31.5, 40 |
1100 |
175 |
350 |
200 |
150 |
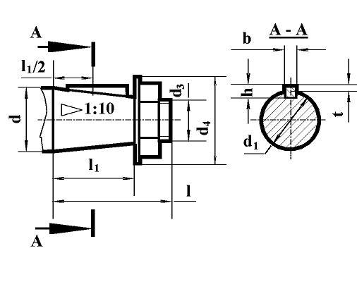
Розміри конічних решт вхідних і вихідних валів редуктора РЦД

|
Тип |
d |
d1 |
d2 |
d3 |
l |
l1 |
b |
t |
|
РЦД-350 |
35 |
32,1 |
М20х1,5 |
50 |
80 |
58 |
6 |
34,6 |
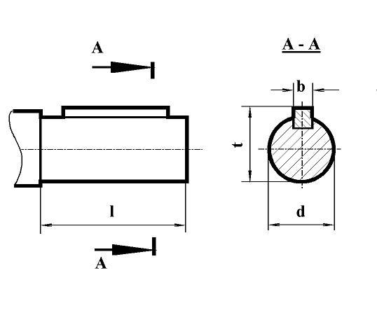
Розміри циліндричних решт вхідних і вихідних валів редуктора РЦД

|
Тип |
l |
d |
b |
t |
|
РЦД-350 |
105 |
65m6 |
18 |
71,0 |
Варіанти складання редуктора РЦД-350

Приклад уловного позначення редуктора РЦД

Цилиндрический редуктор РЦД-350 10
Технічні характеристики
- ТипРедуктор
- Тип редуктораЦиліндричний
- Кількість робочих ступенів2
- Тип корпусуЛитою
- Вага175
- Розташування валів редуктораГоризонтальне
- Частота обертання вихідного валу1500
- Тип робочого навантаженняпостійна, змінна
- Матеріал корпусуЧавун
- Передавальне число10
- Супровідний документПаспорт
- Міжосьова відстань350
- Гарантія12 місяців
- СтанНове
Відгуків про цей товар ще не було.
