- Які характеристики має товар Гвинт М10 DIN 7991 клас міцності 8.8? ❯
- Яка ціна товару Гвинт М10 DIN 7991 клас міцності 8.8 і чи вона актуальна? ❯
- До якої категорії належить товар Гвинт М10 DIN 7991 клас міцності 8.8? ❯
- Чи можна замовити доставку для товару Гвинт М10 DIN 7991 клас міцності 8.8? ❯
- Які переваги покупки Гвинт М10 DIN 7991 клас міцності 8.8 саме у цього виробника KrepZevs? ❯
- Де можна знайти інші товари, схожі на Гвинт М10 DIN 7991 клас міцності 8.8? ❯
- ВиробникKrepZevs
- НаявністьВ наявності
6.68 грн./шт.
2000 або більше -
6.35 грн./шт.
- Призначення гвинтаКріпильний
- Форма головки гвинтаПотайна
- Усі характеристики
- Мінімальна сумма замовлення - 2000 грн
- Надійна сировина та обладнання: Компанія використовує перевірену сировину та сучасне обладнання для виробництва кріпильних елементів.
- Дослідна команда: Виробництвом стандартних та спеціальних рішень займається команда професіоналів.
- Співпраця з виробниками: Компанія співпрацює з відповідальними заводами-виробниками з України та Європи.
6.68 грн./шт.
2000 або більше -
6.35 грн./шт.
Гвинт М10 DIN 7991 з таємною голівкою, клас міцності 8.8
Гвинт М10 DIN 7991 виробляється в класі міцності 8.8, якщо установка елемента буде відбуватися в умовах дії сильних навантажень. Металовиріб відрізняється наступними особливостями:
- Форма голівки - плоска, таємна;
- Форма шліця - під шестигранник або зірку;
- Довжина високоточного різьблення може бути повною або частковою;
- При монтажі металовироба в сире середовище допускається оцинковка гвинта.
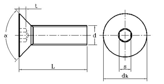
Конструкція гвинта DIN 7991

Таблиця характеристик гвинта DIN 7991
| Найменування | Значення | |
| d - Діаметр різьби, мм | 10 | |
| P - Крок різьби, мм | 1,5 | |
| dк - Діаметр голівки | min | 19,22 |
| max | 22,4 | |
| К - Висота голівки max | 6,2 | |
| e - діаметр шестикутника min | 6,863 | |
| S - розмір під ключ | 6 | |
| t - хв | 3,6 | |
| b - довжина різьби, мм | 32 | |
| L - довжина гвинта, мм | 12-160 | |
Ми виробляємо елементи кріпильного типу для будівництва, виробництва і побутових потреб і пропонуємо їх оптовикам з усієї України за самою розумною ціною. Купуйте металовироби високої якості з доставкою та гарантією від вітчизняного виробника компанії «Зевс».
Телефонуйте менеджерам фірми, щоб купити гвинти DIN 7991 міцністю 8.8 і отримати консультацію від кваліфікованих фахівців.
Винт М10 DIN 7991 класс прочности 8.8
Технічні характеристики
- Призначення гвинтаКріпильний
- Форма головки гвинтаПотайна
- Матеріал гвинтаНержавіюча сталь
- Клас міцності8.8
- Метричне різьблення, М10
- Крок різьблення1.5
- Діаметр головки22.4
- Висота головки6.2
- Довжина гвинта12
- Гарантійний термін36
- СтанНове
Відгуків: 0
Відгуків про цей товар ще не було.
Схожі запити
Схожі товари
купити болти, різьбові заклепки, анкерні болти, болти м8, din 7991, купить болты, магазин металовиробів, металовироби купити, купити шурупи, металовироби харків, купити болти гайки, купити гайки, анкерні болт, болты, шурупи, метричне різьблення з великим кроком, магазин кріплення каталог, болти з нержавіючої сталі купити, Мотор-редуктор 3МП, Мотор-редуктори МЧ, Кранові редуктори Ц2, анкера, Name, din 603, din 7981, заклепки, різьбове заклепування, заклепка алюмінієва, болт м3, болт м8 під шестигранник, гайка м14, din 912, болт м8, болт м 8, din933, болт м10, болт м6, болт м 10, din934, крепеж, болт м12 размеры, болт м14 1.5, болт м5 под шестигранник, болт м 18, болт м 9, болт м7 шаг 1, болт м9, болт м 24, din 6325, din 6799, din 11024, din 6334, din 929, дин 912, магазин крепежа харьков, крепёжный магазин, гайки купить, метизы оптом, крепеж харьков, крепежи магазин, магазин болтов, гайки и болты, болты харьков, болты гайки шайбы, болты 10.9, болты 8.8, винты м8, болт нержавеющий м8, болты госты, стопорные гайки, магазин метизов киев, крепежные изделия, купить винты, болты киев, болты нержавейка, болты с гайкой, болт нержавійка, купить болт м8, болт м8 нержавейка, купить болт м 10, купить болты м10, купить болты м8
