- Які характеристики має товар Гвинт ГОСТ 1486-84 DIN 480 настановний М20? ❯
- Яка ціна товару Гвинт ГОСТ 1486-84 DIN 480 настановний М20 і чи вона актуальна? ❯
- До якої категорії належить товар Гвинт ГОСТ 1486-84 DIN 480 настановний М20? ❯
- Чи можна замовити доставку для товару Гвинт ГОСТ 1486-84 DIN 480 настановний М20? ❯
- Які переваги покупки Гвинт ГОСТ 1486-84 DIN 480 настановний М20 саме у цього виробника KrepZevs? ❯
- Де можна знайти інші товари, схожі на Гвинт ГОСТ 1486-84 DIN 480 настановний М20? ❯
- ВиробникKrepZevs
- НаявністьВ наявності
- Призначення гвинтаНастановний
- Форма головки гвинтаКвадратна (чотиригранна)
- Усі характеристики
- Мінімальна сумма замовлення - 2000 грн
- Надійна сировина та обладнання: Компанія використовує перевірену сировину та сучасне обладнання для виробництва кріпильних елементів.
- Дослідна команда: Виробництвом стандартних та спеціальних рішень займається команда професіоналів.
- Співпраця з виробниками: Компанія співпрацює з відповідальними заводами-виробниками з України та Європи.
Гвинт настановний М20 ГОСТ 1486 DIN 480
Гвинти з голівкою квадратної форми, доповненої буртиком, можуть виконуватися відповідно до стандартів:
- ГОСТ 1486-84 – клас точності гвинтів А та В, діаметр різьблення від 8 до 20 (мм), кінець – закруглений.
- DIN 480 - вироби зі ступінчастим кінцем та сферою у підвищеному класі точності А, діаметр від М8 до М24.
Кріплення М20 з вуглецевої сталі і застосовується при фіксуванні взаємного розташування деталей у різних сферах діяльності людини, таких як важке машинобудування, верстатобудування.

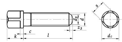
Технічні характеристики гвинтів М20 (мм):
|
Номінальний діаметр гвинта |
М20 |
|
Крок різьби |
2.5 |
|
Розмір під ключ |
22 |
|
Діаметр голівки та буртика |
28 |
|
Висота голівки |
25 |
|
Висота буртика |
4.85 |
|
Діаметр цапфи |
15 |
|
Довжина цапфи |
5 |
Таблиця теоретичної маси 1 одиниці гвинта М20 ГОСТ 1486 DIN 480
|
Довжина гвинта |
Теоретична маса, грам |
|
40 |
166.22 |
|
45 |
176.72 |
|
50 |
187.12 |
|
55 |
197.62 |
|
60 |
208.02 |
|
65 |
218.42 |
|
70 |
228.82 |
|
75 |
239.22 |
|
80 |
249.72 |
|
90 |
270.52 |
|
100 |
291.32 |
Компанія «Зевс» пропонує різноманітне кріплення зі складу та на замовлення купити за низькими цінами. Здійснюємо поставки якісного металовиробу в стислі терміни. Необхідна документація на вироби є, елементи кріплення відповідає прийнятим нормам і стандартам. Для отримання більш детальної інформації про товар телефонуйте нашим менеджерам або залишайте заявки онлайн.
Винт ГОСТ 1486-84 DIN 480 установочный М20
Технічні характеристики
- Призначення гвинтаНастановний
- Форма головки гвинтаКвадратна (чотиригранна)
- Форма кінця гвинтаСтупінчастий зі сферою
- Матеріал гвинтаСталь
- Метричне різьблення, М20
- Крок різьблення2.5
- Діаметр головки28
- Висота головки25
- Гарантійний термін36
- СтанНове
Відгуків про цей товар ще не було.
