- Які характеристики має товар Заклепка Ф4.8 DIN 7337, мідь/сталь? ❯
- Яка ціна товару Заклепка Ф4.8 DIN 7337, мідь/сталь і чи вона актуальна? ❯
- До якої категорії належить товар Заклепка Ф4.8 DIN 7337, мідь/сталь? ❯
- Чи можна замовити доставку для товару Заклепка Ф4.8 DIN 7337, мідь/сталь? ❯
- Які переваги покупки Заклепка Ф4.8 DIN 7337, мідь/сталь саме у цього виробника KrepZevs? ❯
- Де можна знайти інші товари, схожі на Заклепка Ф4.8 DIN 7337, мідь/сталь? ❯
- ВиробникKrepZevs
- НаявністьВ наявності
- ПокриттяЦинк без покриття
- Вид заклепкиВитяжна
- Усі характеристики
- Мінімальна сумма замовлення - 2000 грн
- Надійна сировина та обладнання: Компанія використовує перевірену сировину та сучасне обладнання для виробництва кріпильних елементів.
- Дослідна команда: Виробництвом стандартних та спеціальних рішень займається команда професіоналів.
- Співпраця з виробниками: Компанія співпрацює з відповідальними заводами-виробниками з України та Європи.
Заклепка Ф4.8 DIN 7337 витяжна комбінована, мідь/сталь
Заклепки Ф4.8 DIN 7337 відіграють роль кріпильних засобів при необхідності здійснити нероз'ємне з'єднання кількох аркушів з жерсті, дерева або пластику, доступ до якого можливий лише з одного боку.
Метизи сталеві або комбіновані можуть мати 2 типи виконання - А (зі стандартним буртиком) або В (з потаємним). Пропонуємо придбати якісні комбіновані вироби типу А, корпус яких виробляється з міді, а стрижень зі сталі.
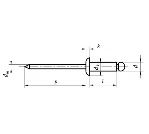
Конструкція заклепки DIN 7337

Основні характеристики заклепки DIN 7337
|
Діаметр корпусу, d1, (мм) |
Діаметр буртика, d2, (мм) |
Діаметр стрижня, (мм) |
Висота буртика, k, (мм) |
Діаметр отвору, (мм) |
|
4,8 |
9,5 |
2,7 |
1,1 |
4,9 |
Виберіть необхідний вид заклепки, зателефонувавши менеджерам заводу «Зевс». Ми надаємо детальну інформацію про будь-який металовироб, який виробляємо самі. Наші заклепки, ціна на які варіюється від типорозміру та матеріалу виготовлення, виконуються у повній відповідності до заявлених вимог стандарту. Але якщо вас не влаштовує конструкція заклепки гост, то рекомендуємо зробити індивідуальне замовлення і придбати кріплення з цікавими для вас вимогами за мінімальною ціною в Україні.
Заклепка Ф4.8 DIN 7337, медь/сталь
Технічні характеристики
- ПокриттяЦинк без покриття
- Вид заклепкиВитяжна
- Тип бортика заклепкиСтандартний
- Діаметр отвору під заклепку4.9
- Форма головки заклепкиНапівкругла
- Матеріал корпусу заклепкиМідь
- Матеріал стрижняСталь
- Діаметр головки4.88
- Діаметр заклепки4.8
- Гарантійний термін36
Відгуків про цей товар ще не було.
