- Які характеристики має товар Заклепки під молоток 2 DIN 660 А2? ❯
- Яка ціна товару Заклепки під молоток 2 DIN 660 А2 і чи вона актуальна? ❯
- До якої категорії належить товар Заклепки під молоток 2 DIN 660 А2? ❯
- Чи можна замовити доставку для товару Заклепки під молоток 2 DIN 660 А2? ❯
- Які переваги покупки Заклепки під молоток 2 DIN 660 А2 саме у цього виробника KrepZevs? ❯
- Де можна знайти інші товари, схожі на Заклепки під молоток 2 DIN 660 А2? ❯
- ВиробникKrepZevs
- НаявністьВ наявності
- ПокриттяЦинк
- Вид заклепкиУдарна (під молоток)
- Усі характеристики
- Мінімальна сумма замовлення - 2000 грн
- Надійна сировина та обладнання: Компанія використовує перевірену сировину та сучасне обладнання для виробництва кріпильних елементів.
- Дослідна команда: Виробництвом стандартних та спеціальних рішень займається команда професіоналів.
- Співпраця з виробниками: Компанія співпрацює з відповідальними заводами-виробниками з України та Європи.
Заклепки 2 DIN 660 А2
Заклепка 2 DIN 660 А2 з напівкруглою головкою під молоток широко використовується як надійний вироб для нероз'ємного закріплення різних деталей і елементів, без використання зварювання. Таке кріплення необхідне в багатьох сферах виробництва, а також машинобудуванні, будівництві, літакобудуванні.
Метиз виготовляють з нержавіючої сталі марки А2 або А4. Дані елементи відповідають таким стандартам як ГОСТ 10299, а також міжнародному стандарту ISO 1051.

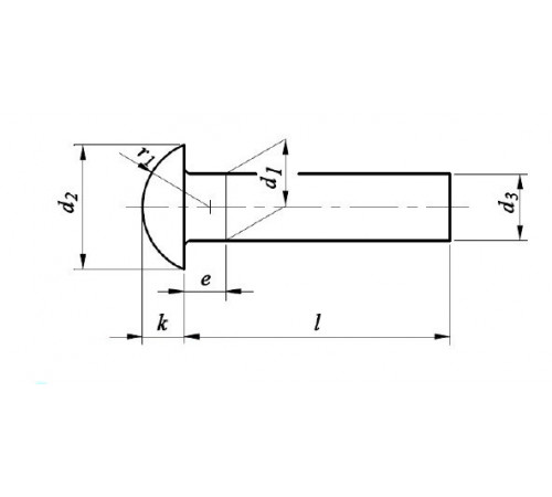
Розміри заклепки під молоток DIN 660 (мм):
| d1 | 2 |
|---|---|
| d2 | 3,5 |
| d3 мін. | 1,87 |
| е макс. | 1 |
| k | 1,2 |
| r1 | 1,9 |
Замовити заклепку 2 DIN 660 А2 під молоток із напівкруглою головкою можна на сайті компанії "Зевс" з гарантією якості - 36 місяців. Купуючи товар на нашому підприємстві, ви отримуєте максимальну якість металовиробу при мінімальному терміні комплектування замовлення. При виникненні труднощів у виборі кріплення або оформленні замовлення ви завжди можете звернутися за допомогою до наших менеджерів. Доставка по всій Україні в обумовлений термін.
Заклепки под молоток 2 DIN 660 А2
Технічні характеристики
- ПокриттяЦинк
- Вид заклепкиУдарна (під молоток)
- Тип бортика заклепкиСтандартний
- Форма головки заклепкиНапівкругла
- Матеріал корпусу заклепкиНержавіюча сталь
- Матеріал стрижняСталь
- Діаметр головки3.5
- Діаметр заклепки2
- Висота головки1.2
- Довжина заклепки3
- Супровідний документСертифікат
- Гарантійний термін36
- Матеріал виготовленнянержавіюча сталь, вуглецева сталь, латунь
- СтандартиДЕРЖСТАНДАРТ 10299, DIN 660, ISO 1051
Відгуків про цей товар ще не було.
