- Які характеристики має товар Заклепки з потайною голівкою Ф4 DIN 661 (сталь)? ❯
- Яка ціна товару Заклепки з потайною голівкою Ф4 DIN 661 (сталь) і чи вона актуальна? ❯
- До якої категорії належить товар Заклепки з потайною голівкою Ф4 DIN 661 (сталь)? ❯
- Чи можна замовити доставку для товару Заклепки з потайною голівкою Ф4 DIN 661 (сталь)? ❯
- Які переваги покупки Заклепки з потайною голівкою Ф4 DIN 661 (сталь) саме у цього виробника KrepZevs? ❯
- Де можна знайти інші товари, схожі на Заклепки з потайною голівкою Ф4 DIN 661 (сталь)? ❯
- ВиробникKrepZevs
- НаявністьВ наявності
- Вид заклепкиУдарна (під молоток)
- Тип бортика заклепкиПотайний
- Усі характеристики
- Мінімальна сумма замовлення - 2000 грн
- Надійна сировина та обладнання: Компанія використовує перевірену сировину та сучасне обладнання для виробництва кріпильних елементів.
- Дослідна команда: Виробництвом стандартних та спеціальних рішень займається команда професіоналів.
- Співпраця з виробниками: Компанія співпрацює з відповідальними заводами-виробниками з України та Європи.
Заклепка під молоток Ф4 DIN 661 (сталь)
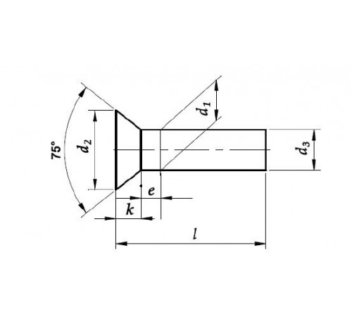
Заклепки Ф4 DIN 661 конструктивно є стрижнем з потайною голівкою, кут під якою становить 75 градусів. Метизи відповідають стандартам DIN 661, ГОСТ 10300 та ISO 1051. Використовують їх у машинобудуванні, а також в авіа- і кораблебудуванні, для створення надійних нероз'ємних з'єднань.
Виготовляють кріплення з м'яких металів, таких як вуглецева сталь, алюміній та мідь. Також можуть виготовлятися з марки А2 (нержавіюча), для експлуатації в сирому та агресивному середовищі.

Розміри заклепок з потайною голівкою під молоток DIN 661 (мм):
|
Діаметр стрижня d |
4 |
|
Діаметр голівки D |
7,0 |
|
Висота голівки Н |
1,6 |
|
Радіус під голівкою, r, не більше |
0,2 |
|
Відстань від основи голівки до місця виміру діаметра l |
3 |
|
Довжина L |
5-50 |
Теоретична маса 1000 шт. заклепок, кг, при номінальному діаметрі стрижня d, (мм):
|
Довжина L, мм |
4 |
|
5 |
0,635 |
|
6 |
0,733 |
|
7 |
0,832 |
|
8 |
0,931 |
|
9 |
1,0,29 |
|
10 |
1,128 |
|
12 |
1,325 |
|
14 |
1,522 |
|
16 |
1,719 |
|
18 |
1,917 |
|
20 |
2,114 |
|
22 |
2,311 |
|
24 |
2,509 |
|
26 |
2,706 |
|
28 |
2,903 |
|
30 |
3,100 |
|
32 |
3,294 |
|
34 |
3,95 |
|
36 |
3,692 |
|
38 |
3,890 |
|
40 |
4,087 |
|
42 |
4,284 |
|
45 |
4,580 |
|
48 |
4,876 |
|
50 |
5,073 |
Співпрацюючи з компанією "Зевс, ви отримуєте багато переваг:
- Кріплення високої якості за доступною ціною.
- Максимальна якість металовиробу при мінімальному терміні комплектування замовлення.
- Гарантія якості – 36 місяців з моменту придбання виробів.
- Продукція виготовляється відповідно до ГОСТ, DIN, ISO.
- Великий вибір елементів із різними типорозмірами.
Заклепки с потайной головкой Ф4 DIN 661 (сталь)
Технічні характеристики
- Вид заклепкиУдарна (під молоток)
- Тип бортика заклепкиПотайний
- Форма головки заклепкиПотайна
- Матеріал корпусу заклепкиСталь
- Матеріал стрижняСталь
- Діаметр головки7
- Діаметр заклепки4
- Висота головки1.6
- Супровідний документСертифікат
- Гарантійний термін36
- Матеріал виготовленнявуглецева сталь, нержавіюча сталь, алюміній, мідь
- СтандартиДЕРЖСТАНДАРТ 10300, ISO 1051, DIN 661
Відгуків про цей товар ще не було.
