- Які характеристики має товар Болт М42 ГОСТ 22353-77 клас міцності 10.9? ❯
- Яка ціна товару Болт М42 ГОСТ 22353-77 клас міцності 10.9 і чи вона актуальна? ❯
- До якої категорії належить товар Болт М42 ГОСТ 22353-77 клас міцності 10.9? ❯
- Чи можна замовити доставку для товару Болт М42 ГОСТ 22353-77 клас міцності 10.9? ❯
- Які переваги покупки Болт М42 ГОСТ 22353-77 клас міцності 10.9 саме у цього виробника KrepZevs? ❯
- Де можна знайти інші товари, схожі на Болт М42 ГОСТ 22353-77 клас міцності 10.9? ❯
- ВиробникKrepZevs
- НаявністьВ наявності
220.00 грн./кг
50 або більше -
209.00 грн./кг
- Призначення болтаЗагального призначення
- Матеріал болтаВисокоміцна сталь
- Усі характеристики
- Мінімальна сумма замовлення - 2000 грн
- Надійна сировина та обладнання: Компанія використовує перевірену сировину та сучасне обладнання для виробництва кріпильних елементів.
- Дослідна команда: Виробництвом стандартних та спеціальних рішень займається команда професіоналів.
- Співпраця з виробниками: Компанія співпрацює з відповідальними заводами-виробниками з України та Європи.
220.00 грн./кг
50 або більше -
209.00 грн./кг
Болт М42 ГОСТ 22353-77 міцністю 10.9
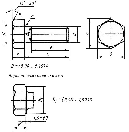
Організація міцного та не піддається руйнуванню під дією великих негативних температур з'єднання здійснюється завдяки використанню болтів М42 ГОСТ 22353-77. Відповідно до стандарту виробу мають шестигранну головку та стрижень з різьбленням звичайного кроку та класу точності В. Елементи можуть бути оцинковані, що розширює діапазон сфер їх застосування до вологих неагресивних середовищ.
Конструкція болта ГОСТ 22353-77

Основні технічні характеристики
|
Характеристика |
Опис |
Значення |
|
Номінальний діаметр метричної різьби |
d |
М42 |
|
Висота голівки, мм |
k |
26 |
|
Розмір під ключ, мм |
S |
65 |
|
Діаметр описаного кола, мм |
e |
72,1 |
|
Крок різьби, мм |
Р |
4 |
Таблиця мас і довжин болта ГОСТ 22353-77
|
Довжина болта (мм) |
Вага одного болта (г) |
|
105 |
1723 |
|
110 |
1776 |
|
115 |
1830 |
|
120 |
1884 |
|
125 |
1937 |
|
130 |
1991 |
|
140 |
2098 |
|
150 |
2205 |
|
160 |
2304 |
|
170 |
2412 |
|
180 |
2519 |
|
190 |
2626 |
|
200 |
2733 |
|
220 |
2948 |
|
240 |
3162 |
|
260 |
3377 |
|
280 |
3591 |
|
300 |
3806 |
Купуйте високоміцні болти та іншу метизну продукцію, створену за стандартами, що вже є, або за індивідуальними проектами, в компанії «Зевс». Ми поставляємо елементи виняткової якості, піддаємо їх ретельному контролю та надаємо всю необхідну документацію, що підтверджує високий рівень нашого товару. Для постійних клієнтів та оптових покупців діє гнучка система знижок. Гарантія якості на кріплення – 3 роки з моменту придбання. Доставка здійснюється по всій Україні одразу після внесення оплати.
Болт М42 ГОСТ 22353-77 класс прочности 10.9
Технічні характеристики
- Призначення болтаЗагального призначення
- Матеріал болтаВисокоміцна сталь
- Клас міцності10.9
- Метричне різьблення, М42
- Розмір під ключ65
- Крок різьблення4.5
- Діаметр головки42
- Висота головки26
- Гарантійний термін36
- СтанНове
- СтандартГОСТ 22353-77
Відгуків: 0
Відгуків про цей товар ще не було.
Схожі товари
купити болти, різьбові заклепки, анкерні болти, болти м8, din 7991, купить болты, магазин металовиробів, металовироби купити, купити шурупи, металовироби харків, купити болти гайки, купити гайки, анкерні болт, болты, шурупи, метричне різьблення з великим кроком, магазин кріплення каталог, болти з нержавіючої сталі купити, Мотор-редуктор 3МП, Мотор-редуктори МЧ, Кранові редуктори Ц2, анкера, Name, din 603, din 7981, заклепки, різьбове заклепування, заклепка алюмінієва, болт м3, болт м8 під шестигранник, гайка м14, din 912, болт м8, болт м 8, din933, болт м10, болт м6, болт м 10, din934, крепеж, болт м12 размеры, болт м14 1.5, болт м5 под шестигранник, болт м 18, болт м 9, болт м7 шаг 1, болт м9, болт м 24, din 6325, din 6799, din 11024, din 6334, din 929, дин 912, магазин крепежа харьков, крепёжный магазин, гайки купить, метизы оптом, крепеж харьков, крепежи магазин, магазин болтов, гайки и болты, болты харьков, болты гайки шайбы, болты 10.9, болты 8.8, винты м8, болт нержавеющий м8, болты госты, стопорные гайки, магазин метизов киев, крепежные изделия, купить винты, болты киев, болты нержавейка, болты с гайкой, болт нержавійка, купить болт м8, болт м8 нержавейка, купить болт м 10, купить болты м10, купить болты м8
