- Які характеристики має товар Болт М12 DIN 15237 клас міцності 8.8? ❯
- Яка ціна товару Болт М12 DIN 15237 клас міцності 8.8 і чи вона актуальна? ❯
- До якої категорії належить товар Болт М12 DIN 15237 клас міцності 8.8? ❯
- Чи можна замовити доставку для товару Болт М12 DIN 15237 клас міцності 8.8? ❯
- Які переваги покупки Болт М12 DIN 15237 клас міцності 8.8 саме у цього виробника KrepZevs? ❯
- Де можна знайти інші товари, схожі на Болт М12 DIN 15237 клас міцності 8.8? ❯
- ВиробникKrepZevs
- НаявністьВ наявності
- Форма болтаЗ потайною головкою
- Матеріал болтаВисокоміцна сталь
- Усі характеристики
- Мінімальна сумма замовлення - 2000 грн
- Надійна сировина та обладнання: Компанія використовує перевірену сировину та сучасне обладнання для виробництва кріпильних елементів.
- Дослідна команда: Виробництвом стандартних та спеціальних рішень займається команда професіоналів.
- Співпраця з виробниками: Компанія співпрацює з відповідальними заводами-виробниками з України та Європи.
Болт норійний М12 DIN 15237 клас міцності 8.8
Болт М12 DIN 15237 отримав кілька назв: норійний, елеваторний, транспортерний, опорний. Це кріплення має вузьку сферу застосування та використовується тільки для кріплення ковшів до стрічки норії – ковшового елеватора. Завдяки норії можна піднімати сипучі матеріали на велику висоту, тому дане обладнання широко задіяне у сільському господарстві, гірничодобувній та інших галузях промисловості.
Норійний болт М12 DIN 15237 із класом міцності 8.8 має особливу конструкцію. Два шипа на внутрішній стороні потайної голівки не дозволяють деталі прокручуватися. Сферична шайба та шестигранна гайка, необхідні для монтажу, йдуть у комплекті. Для виготовлення металовиробів використана вуглецева сталь. У нас ви можете замовити елементи кріплення з цинковим покриттям і без нього. Завдяки цинкуванню вироби набувають стійкості до корозії.
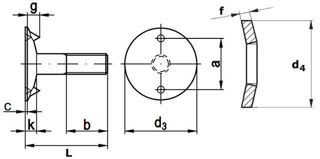
Креслення болта DIN 15237

Технічні характеристики болта М12 DIN 15237 (мм):
|
Характеристика |
Позначення |
Значення |
|
Номінальний діаметр різьблення |
d |
12 |
|
Діаметр голівки |
d3 |
42 |
|
Висота кромки, макс. |
c |
1,2 |
|
Відстань між шипами |
a |
30 |
|
Висота голівки |
k |
5,2 |
|
Висота шипа |
g |
7 |
|
Довжина болта |
l |
35-60 |
|
Крок різьби |
p |
1,75 |
|
Довжина різьбової частини |
b |
20-28 |
Замовити норійні болти DIN 15237 клас міцності 8.8 можна на сайті компанії «Зевс» за ціною, нижчою від ринку на 3-10%.
Купуючи товар на нашому підприємстві, ви отримуєте сертифікати якості на кріплення. При виникненні труднощів у виборі металовиробу або оформленні ви завжди можете звернутися за допомогою до наших менеджерів. У нашому каталозі представлений великий асортимент виробів із різними типорозмірами. Доставка здійснюється по всій Україні одразу після внесення оплати. Вся продукція відповідає стандартам ГОСТ, DIN, ISO. Для постійних клієнтів та оптових покупців діє гнучка система знижок. Гарантія якості на елементи кріплення - 3 роки з моменту придбання.
Болт норийный М12 DIN 15237 класс прочности 8.8
Технічні характеристики
- Форма болтаЗ потайною головкою
- Матеріал болтаВисокоміцна сталь
- ПокриттяЦинк
- Наявність гайкиТак
- Метричне різьблення, М12
- Крок різьблення1.75
- Діаметр головки42
- Висота головки5.2
- Супровідний документСертифікат
- Гарантійний термін36
- Довжина різьбленняповна чи часткова
- Рекомендовані гайкишестигранні ГОСТ 5915-70, DIN 934, самоконтря ГОСТ Р 50273-92, DIN 985, з фланцем ГОСТ Р 50592-93, DIN 6923, контргайки ГОСТ 8968-75
- СтанНове
- Рекомендовані шайбигровер ГОСТ 6402-70, DIN 127, косі ГОСТ 10906-78, DIN 434, плоскі ГОСТ Р 52646-2006, DIN 125, збільшені ГОСТ 6958-78, DIN 9021
- СтандартиDIN 15237
Відгуків про цей товар ще не було.
