- Які характеристики має товар Болт норійний М8 DIN 15237 клас міцності 8.8? ❯
- Яка ціна товару Болт норійний М8 DIN 15237 клас міцності 8.8 і чи вона актуальна? ❯
- До якої категорії належить товар Болт норійний М8 DIN 15237 клас міцності 8.8? ❯
- Чи можна замовити доставку для товару Болт норійний М8 DIN 15237 клас міцності 8.8? ❯
- Які переваги покупки Болт норійний М8 DIN 15237 клас міцності 8.8 саме у цього виробника KrepZevs? ❯
- Де можна знайти інші товари, схожі на Болт норійний М8 DIN 15237 клас міцності 8.8? ❯
- ВиробникKrepZevs
- НаявністьВ наявності
- Форма болтаЗ потайною головкою
- Матеріал болтаВисокоміцна сталь
- Усі характеристики
- Мінімальна сумма замовлення - 2000 грн
- Надійна сировина та обладнання: Компанія використовує перевірену сировину та сучасне обладнання для виробництва кріпильних елементів.
- Дослідна команда: Виробництвом стандартних та спеціальних рішень займається команда професіоналів.
- Співпраця з виробниками: Компанія співпрацює з відповідальними заводами-виробниками з України та Європи.
Болт норійний М8 DIN 15237 клас міцності 8.8
Болт М8 DIN 15237 класу міцності 8.8 відноситься до категорії вузькоспеціалізованого кріплення. За допомогою металовиробу кріплять ковші до стрічки ковшового транспортера – норії. Це обладнання широко використовується у сільському господарстві – норіями обладнано елеватори та інші комплекси зі зберігання та переробки зерна. Тому виріб М8 DIN 15237 часто називають норійним, елеваторним, транспортерним.
Деталь має плоску потайну голівку, з нижньої сторони якої передбачено два шипи. Вони не дозволяють їй прокручуватися при загвинчуванні гайки. Кріпильний елемент комплектується чашоподібною шайбою та шестигранною гайкою. Виготовляються болти з вуглецевої сталі. Високий клас міцності гарантує надійність з'єднання та тривалий термін служби сполучного вузла.
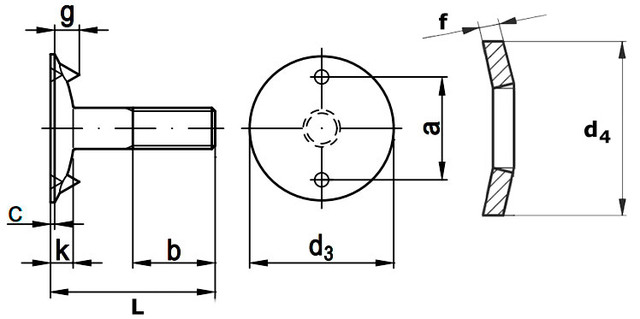
Креслення болта DIN 15237

Технічні характеристики болта М8 DIN 15237 (мм):
|
Характеристика |
Позначення |
Значення |
|
Номінальний діаметр різьблення |
d |
8 |
|
Діаметр голівки |
d3 |
28 |
|
Висота кромки, макс. |
c |
1 |
|
Відстань між шипами |
a |
20 |
|
Висота голівки |
k |
3,5 |
|
Висота шипа |
g |
5 |
|
Довжина болта |
l |
25-40 |
|
Крок різьби |
p |
1,25 |
|
Довжина різьбової частини |
b |
15-20 |
Замовити норійні болти DIN 15237 клас міцності 8.8 можна на сайті компанії «Зевс» за ціною, нижчою від ринку на 3-10%.
Купуючи товар на нашому підприємстві, ви отримуєте сертифікати якості на кріплення. При виникненні труднощів у виборі металовиробу або оформленні ви завжди можете звернутися за допомогою до наших менеджерів. У нашому каталозі представлений великий асортимент виробів із різними типорозмірами. Доставка здійснюється по всій Україні одразу після внесення оплати. Вся продукція відповідає стандартам ГОСТ, DIN, ISO. Для постійних клієнтів та оптових покупців діє гнучка система знижок. Гарантія якості на елементи кріплення - 3 роки з моменту придбання.
Болт норийный М8 DIN 15237 класс прочности 8.8
Технічні характеристики
- Форма болтаЗ потайною головкою
- Матеріал болтаВисокоміцна сталь
- ПокриттяЦинк
- Наявність гайкиТак
- Клас міцності8.8
- Метричне різьблення, М8
- Крок різьблення1.25
- Діаметр головки28
- Висота головки3.5
- Супровідний документСертифікат
- Гарантійний термін36
- Довжина різьбленняповна чи часткова
- Рекомендовані гайкишестигранні ГОСТ 5915-70, DIN 934, самоконтря ГОСТ Р 50273-92, DIN 985, з фланцем ГОСТ Р 50592-93, DIN 6923, контргайки ГОСТ 8968-75
- СтанНове
- Рекомендовані шайбигровер ГОСТ 6402-70, DIN 127, косі ГОСТ 10906-78, DIN 434, плоскі ГОСТ Р 52646-2006, DIN 125, збільшені ГОСТ 6958-78, DIN 9021
- СтандартиDIN 15237
Відгуків про цей товар ще не було.
