- Які характеристики має товар Гайка М22 DIN 1804 шліцева? ❯
- Яка ціна товару Гайка М22 DIN 1804 шліцева і чи вона актуальна? ❯
- До якої категорії належить товар Гайка М22 DIN 1804 шліцева? ❯
- Чи можна замовити доставку для товару Гайка М22 DIN 1804 шліцева? ❯
- Які переваги покупки Гайка М22 DIN 1804 шліцева саме у цього виробника KrepZevs? ❯
- Де можна знайти інші товари, схожі на Гайка М22 DIN 1804 шліцева? ❯
- ВиробникKrepZevs
- НаявністьВ наявності
- ПокриттяЦинк без покриття
- Матеріал гайкиСталь
- Усі характеристики
- Мінімальна сумма замовлення - 2000 грн
- Надійна сировина та обладнання: Компанія використовує перевірену сировину та сучасне обладнання для виробництва кріпильних елементів.
- Дослідна команда: Виробництвом стандартних та спеціальних рішень займається команда професіоналів.
- Співпраця з виробниками: Компанія співпрацює з відповідальними заводами-виробниками з України та Європи.
Шліцева гайка М22 DIN 1804
Шліцеві гайки М22 виробляються на підставі DIN 1804 або аналога стандарту ГОСТ 11871-88. Дане кріплення прийнято використовувати спільно з багатолапчастими шайбами DIN 5406 та іншими подібними елементами, що мають виступи.
Метизи зазначеного стандарту виробляються з дрібним кроком, завдяки якому краще утримуються у фіксованому положенні при вібраційних впливах.
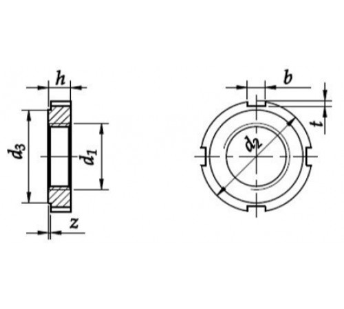
Конструкція гайки DIN 1804

Таблиця розмірів гайок DIN 1804 (мм):
|
Номінальний діаметр різьблення, d1 |
Зовнішній діаметр гайки, d2 |
Розмір під ключ для шліцевої гайки, d3 |
Ширина паза під ключ, b |
Висота гайки, h |
Глибина паза під ключ, t |
Висота уступу, z |
|
М22 |
40 |
34 |
6 |
9 |
2.5 |
0,5 |
Замовити шліцьові гайки DIN 1804 можна на сайті компанії «Зевс» з гарантією якості – 3 роки.
Купуючи товар на нашому підприємстві, ви отримуєте доставку по всій Україні. Завжди в наявності на складі великий асортимент металовиробів з різними типорозмірами. Вся продукція постачається після попередньої перевірки у ВТК. Ми виготовляємо кріплення за кресленнями замовника. Для постійних клієнтів та оптових покупців діє гнучка система знижок. Швидке оформлення замовлення за телефоном або на сайті онлайн.
Гайка М22 DIN 1804 шлицевая
Технічні характеристики
- ПокриттяЦинк без покриття
- Матеріал гайкиСталь
- Вид гайкиКругла шліцева
- Метричне різьблення, М22
- Розмір під ключ34
- Крок різьблення1.5
- Гарантійний термін36
- СтанНове
Відгуків про цей товар ще не було.
