- Які характеристики має товар Гайка М27 ГОСТ 9064-75 класу міцності 10.0? ❯
- Яка ціна товару Гайка М27 ГОСТ 9064-75 класу міцності 10.0 і чи вона актуальна? ❯
- До якої категорії належить товар Гайка М27 ГОСТ 9064-75 класу міцності 10.0? ❯
- Чи можна замовити доставку для товару Гайка М27 ГОСТ 9064-75 класу міцності 10.0? ❯
- Які переваги покупки Гайка М27 ГОСТ 9064-75 класу міцності 10.0 саме у цього виробника KrepZevs? ❯
- Де можна знайти інші товари, схожі на Гайка М27 ГОСТ 9064-75 класу міцності 10.0? ❯
- ВиробникKrepZevs
- НаявністьВ наявності
- Матеріал гайкиСталь
- Вид гайкиШестигранна
- Усі характеристики
- Мінімальна сумма замовлення - 2000 грн
- Надійна сировина та обладнання: Компанія використовує перевірену сировину та сучасне обладнання для виробництва кріпильних елементів.
- Дослідна команда: Виробництвом стандартних та спеціальних рішень займається команда професіоналів.
- Співпраця з виробниками: Компанія співпрацює з відповідальними заводами-виробниками з України та Європи.
Гайка для фланцевих з'єднань М27 ГОСТ 9064-75 з класом міцності 10.0
Гайка М27 ГОСТ 9064-75 з класом міцності 10.0 є високоміцною і широко використовується у фланцевих з'єднаннях з робочою температурою до +650 градусів Цельсія спільно зі шпильками та шайбами відповідного діаметру та схожими характеристиками.
Виробляють цю деталь як шестигранної, так і ковпачкової з легованої сталі з можливим подальшим цинком покриттям, що дає можливість посилити стійкість до впливів вологи.
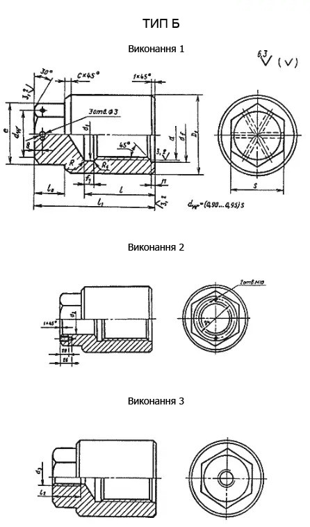
Схема габаритних розмірів гайки М27 ГОСТ 9064-75 (мм):

| d | М27 | |
| P | великий | 3,0 |
| дрібний | 2,0 | |
| S | 41 | |
| e | 45,9 | |
| m | 27 | |
| N | 0,194 | |

| d | М27 | |
| P | великий | 3,0 |
| дрібний | 2,0 | |
| S | 32 | |
| D1 | 48 | |
| e | 36,9 | |
| dƒ | 28 | |
| d2 | - | |
| d3 | - | |
| l | 40 | |
| l0 | 18 | |
| l1 | 70 | |
| l2 | - | |
| n | 2 | |
| з | 2 | |
| k | 0,6 | |
| N | вик. 1 | 0,670 |
| вик. 2 | - | |
| вик. 3 | - | |
Замовити гайки для фланцевих з'єднань ГОСТ 9064-75 із класом міцності 10.0 можна на сайті компанії «Зевс», заповнивши форму онлайн.
Купуючи товар на нашому підприємстві, ви отримуєте продукцію відповідно до ГОСТ, DIN, ISO. У нас ви знайдете великий асортимент кріплення з різними типорозмірами. Доставка здійснюється по всій Україні одразу після внесення оплати. При виникненні труднощів у виборі виробів або оформленні замовлення ви завжди можете звернутися за допомогою до наших менеджерів. Гарантія якості на металовироби - 36 місяців з моменту придбання. Для постійних клієнтів та оптових покупців діє гнучка система знижок. Ми виготовляємо деталі за кресленнями клієнта. Ціни нижчі за ринок на 3-10%.
Гайка М27 ГОСТ 9064-75 класса прочности 10.0
Технічні характеристики
- Матеріал гайкиСталь
- Вид гайкиШестигранна
- Клас міцності10
- Метричне різьблення, М27
- Гарантійний термін36
- СтанНове
Відгуків про цей товар ще не було.
