- Які характеристики має товар Гайка М30 ГОСТ 9064-75 класу міцності 10.0? ❯
- Яка ціна товару Гайка М30 ГОСТ 9064-75 класу міцності 10.0 і чи вона актуальна? ❯
- До якої категорії належить товар Гайка М30 ГОСТ 9064-75 класу міцності 10.0? ❯
- Чи можна замовити доставку для товару Гайка М30 ГОСТ 9064-75 класу міцності 10.0? ❯
- Які переваги покупки Гайка М30 ГОСТ 9064-75 класу міцності 10.0 саме у цього виробника KrepZevs? ❯
- Де можна знайти інші товари, схожі на Гайка М30 ГОСТ 9064-75 класу міцності 10.0? ❯
- ВиробникKrepZevs
- НаявністьВ наявності
- Матеріал гайкиСталь
- Вид гайкиШестигранна
- Усі характеристики
- Мінімальна сумма замовлення - 2000 грн
- Надійна сировина та обладнання: Компанія використовує перевірену сировину та сучасне обладнання для виробництва кріпильних елементів.
- Дослідна команда: Виробництвом стандартних та спеціальних рішень займається команда професіоналів.
- Співпраця з виробниками: Компанія співпрацює з відповідальними заводами-виробниками з України та Європи.
Гайка для фланцевих з'єднань М30 ГОСТ 9064-75 з класом міцності 10.0
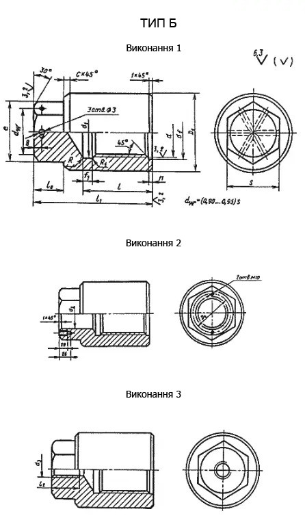
Гайка М30 ГОСТ 9064-75 з класом міцності 10.0 виготовляється з легованої сталі і може виконуватися як шестигранною, так і ковпачковою. У свою чергу, ковпачкова має ще три варіанти виконання. Докладніше вказано на кресленнях нижче.
Використовують метиз М30 ГОСТ 9064-75 для стягування фланцевих з'єднань і застосовують разом зі шпильками та шайбами відповідного діаметра. Щоб підвищити стійкість даного елемента до впливів вологи та збільшити термін служби, готовий виріб можуть покривати цинком.
Схема габаритних розмірів гайки М30 ГОСТ 9064-75 (мм):

| d | M30 | |
| P | великий | 3,5 |
| дрібний | 2,0 | |
| S | 46 | |
| e | 51,4 | |
| m | 30 | |
| N | 0,277 | |

| d | M30 | |
| P | великий | 3,5 |
| дрібний | 2,0 | |
| S | 32 | |
| D1 | 48 | |
| e | 36,9 | |
| dƒ | 31 | |
| d2 | 26 | |
| d3 | - | |
| l | 43 | |
| l0 | 20 | |
| l1 | 75 | |
| l2 | - | |
| n | 2 | |
| з | 3 | |
| k | 0,6 | |
| N | вик. 1 | 0,680 |
| вик. 2 | 0,72 | |
| вик. 3 | - | |
Замовити гайки для фланцевих з'єднань ГОСТ 9064-75 із класом міцності 10.0 можна на сайті компанії «Зевс», заповнивши форму онлайн.
Купуючи товар на нашому підприємстві, ви отримуєте продукцію відповідно до ГОСТ, DIN, ISO. У нас ви знайдете великий асортимент кріплення з різними типорозмірами. Доставка здійснюється по всій Україні одразу після внесення оплати. При виникненні труднощів у виборі виробів або оформленні замовлення ви завжди можете звернутися за допомогою до наших менеджерів. Гарантія якості на металовироби - 36 місяців з моменту придбання. Для постійних клієнтів та оптових покупців діє гнучка система знижок. Ми виготовляємо деталі за кресленнями клієнта. Ціни нижчі за ринок на 3-10%.
Гайка М30 ГОСТ 9064-75 класса прочности 10.0
Технічні характеристики
- Матеріал гайкиСталь
- Вид гайкиШестигранна
- Клас міцності10
- Метричне різьблення, М30
- Гарантійний термін36
- СтанНове
Відгуків про цей товар ще не було.
