- Які характеристики має товар Хомут черв'ячний нержавіючий 8х16? ❯
- Яка ціна товару Хомут черв'ячний нержавіючий 8х16 і чи вона актуальна? ❯
- До якої категорії належить товар Хомут черв'ячний нержавіючий 8х16? ❯
- Чи можна замовити доставку для товару Хомут черв'ячний нержавіючий 8х16? ❯
- Які переваги покупки Хомут черв'ячний нержавіючий 8х16 саме у цього виробника KrepZevs? ❯
- Де можна знайти інші товари, схожі на Хомут черв'ячний нержавіючий 8х16? ❯
- ВиробникKrepZevs
- НаявністьВ наявності
- Гарантійний термін36
- Усі характеристики
- Мінімальна сумма замовлення - 2000 грн
- Надійна сировина та обладнання: Компанія використовує перевірену сировину та сучасне обладнання для виробництва кріпильних елементів.
- Дослідна команда: Виробництвом стандартних та спеціальних рішень займається команда професіоналів.
- Співпраця з виробниками: Компанія співпрацює з відповідальними заводами-виробниками з України та Європи.
Хомут черв'ячний нержавіючий 8х16 - служить для надійної герметизації з'єднання, що забезпечується рівномірним розподілом сили обтиснення по всьому периметру шланга, труби, рукава. Виготовляють вироби з нержавіючої сталі, яка дозволяє їх експлуатацію в кислотних, сирих умовах та за різних температурних режимів.
Надійність фіксації забезпечується конструкцією металовиробу – гладка внутрішня поверхня, якого має гофровані ділянки. При необхідності стяжні хомути можуть бути використані багаторазово, висока якість деталей дозволяє. Виготовляються за німецьким стандартом DIN 3017, аналог ГОСТ 28191-89, використовуються в таких сферах як: автомобільна, будівельна, машинобудівна і т.д.
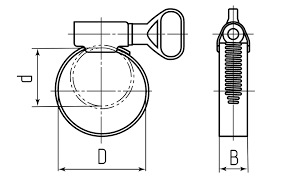
Схема хомута

Розмірний ряд:
Ø8-12 мм
Ø10-16 мм
Ø12-20 мм
Ø16-25 мм
Ø20-32 мм
Ø25-40 мм
Ø30-45 мм
Ø40-60 мм
Ø55-70 мм
Ø65-80 мм
Ø75-95 мм
Ø90-110 мм
Ø105-120 мм
Ø115-130 мм
Ø125-140 мм
Ø140-160 мм
Ø155-190 мм
Ø190-205 мм
Замовити хомут черв'ячний нержавіючий можна на сайті компанії «Зевс» оптом та в роздріб. Купуючи товар на нашому підприємстві, ви отримуєте продукцію після попередньої перевірки у ВТК. Для постійних клієнтів та оптових покупців діє гнучка система знижок. У разі виникнення труднощів у виборі кріплення або оформленні замовлення ви завжди можете звернутися за допомогою до наших менеджерів.
Хомут червячный нержавеющий 8х16
Технічні характеристики
- Гарантійний термін36
Відгуків про цей товар ще не було.
