- Які характеристики має товар Хомут черв'ячний нержавіючий 32х50? ❯
- Яка ціна товару Хомут черв'ячний нержавіючий 32х50 і чи вона актуальна? ❯
- До якої категорії належить товар Хомут черв'ячний нержавіючий 32х50? ❯
- Чи можна замовити доставку для товару Хомут черв'ячний нержавіючий 32х50? ❯
- Які переваги покупки Хомут черв'ячний нержавіючий 32х50 саме у цього виробника KrepZevs? ❯
- Де можна знайти інші товари, схожі на Хомут черв'ячний нержавіючий 32х50? ❯
- ВиробникKrepZevs
- НаявністьВ наявності
- Область застосування хомутаУніверсальний
- Тип хомутаЧерв'яковий
- Усі характеристики
- Мінімальна сумма замовлення - 2000 грн
- Надійна сировина та обладнання: Компанія використовує перевірену сировину та сучасне обладнання для виробництва кріпильних елементів.
- Дослідна команда: Виробництвом стандартних та спеціальних рішень займається команда професіоналів.
- Співпраця з виробниками: Компанія співпрацює з відповідальними заводами-виробниками з України та Європи.
Хомут черв'ячний нержавіючий 32х50 – необхідний для щільного з'єднання шлангів, патрубків, рукавів. Виготовляється деталь з нержавіючої сталі, що дає елементам високу зносостійкість та антикорозійні властивості для експлуатації у сирому чи агресивному середовищі, а також при вібраційних впливах.
Надійність фіксації забезпечується конструкцією виробу, внутрішня гладка поверхня якого має гофровані ділянки. При необхідності стяжні хомути можуть бути використані багаторазово, висока якість виробів дозволяє. Відповідає стандарту DIN 3017. Відбортування по краях стрічки не пошкоджує шланги, а згладжені кромки оберігають руки від порізів. Монтується за допомогою хрестової або шліцевої викрутки.
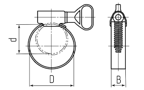
Схема хомута

Розмірний ряд:
Ø8-12 мм
Ø12-20 мм
Ø16-25 мм
Ø20-32 мм
Ø25-40 мм
Ø30-45 мм
Ø40-60 мм
Ø55-70 мм
Ø65-80 мм
Ø75-95 мм
Ø90-110 мм
Ø105-120 мм
Ø115-130 мм
Ø125-140 мм
Ø140-160 мм
Ø155-190 мм
Ø190-205 мм
Замовити хомути черв'ячний нержавіючий можна на сайті компанії «Зевс» з доставкою по Україні. Купуючи товар на нашому підприємстві, ви одержуєте великий асортимент кріплення з різними типорозмірами. Ми пропонуємо своїм клієнтам вигідні умови співпраці – готівковий, безготівковий розрахунок. Сертифікати якості. Вся продукція виготовляється відповідно до стандартів ГОСТ, DIN, ISO.
Хомут червячный нержавеющий 32х 50
Технічні характеристики
- Область застосування хомутаУніверсальний
- Тип хомутаЧерв'яковий
- Матеріал хомутаНержавіюча сталь
- Наявність гумової прокладкиНі
- Гарантійний термін36
- СтанНове
Відгуків про цей товар ще не було.
