- Які характеристики має товар Хомут черв'ячний нержавіючий 80х100? ❯
- Яка ціна товару Хомут черв'ячний нержавіючий 80х100 і чи вона актуальна? ❯
- До якої категорії належить товар Хомут черв'ячний нержавіючий 80х100? ❯
- Чи можна замовити доставку для товару Хомут черв'ячний нержавіючий 80х100? ❯
- Які переваги покупки Хомут черв'ячний нержавіючий 80х100 саме у цього виробника KrepZevs? ❯
- Де можна знайти інші товари, схожі на Хомут черв'ячний нержавіючий 80х100? ❯
- ВиробникKrepZevs
- НаявністьВ наявності
- Область застосування хомутаУніверсальний
- Тип хомутаЧерв'яковий
- Усі характеристики
- Мінімальна сумма замовлення - 2000 грн
- Надійна сировина та обладнання: Компанія використовує перевірену сировину та сучасне обладнання для виробництва кріпильних елементів.
- Дослідна команда: Виробництвом стандартних та спеціальних рішень займається команда професіоналів.
- Співпраця з виробниками: Компанія співпрацює з відповідальними заводами-виробниками з України та Європи.
Хомут черв'ячний нержавіючий 80х100 – виріб, який використовують для фіксації або герметизації труб, патрубків, рукавів, шлангів. Його особлива конструкція дозволяє досягти надійного та герметичного з'єднання. Виготовляють елементи з аустенітної нержавіючої сталі для збільшення характеристик міцності і повторної експлуатації.
Ці деталі виконуються у вигляді закругленої металевої стрічки, оснащеної спеціальним замком. При виробництві металовиробів використовуються методи пресування, накатки або просічки. Основа кріплення (стрічка) обробляється дуже ретельно, щоб гострі краї не змогли пошкодити шланги чи труби. Затягується елемент кріплення за допомогою гвинта або болта, гайковим ключем або викруткою.
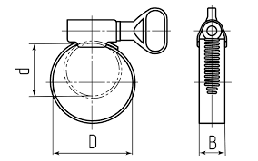
Схема хомута

Розмірний ряд:
Ø8-12 мм
Ø12-20 мм
Ø16-25 мм
Ø20-32 мм
Ø25-40 мм
Ø30-45 мм
Ø40-60 мм
Ø55-70 мм
Ø65-80 мм
Ø75-95 мм
Ø90-110 мм
Ø105-120 мм
Ø115-130 мм
Ø125-140 мм
Ø140-160 мм
Ø155-190 мм
Ø190-205 мм
Замовити хомут черв'ячний нержавіючий можна на сайті компанії «Зевс» за низькою ціною. Купуючи товар на нашому підприємстві, ви отримуєте продукцію після попередньої перевірки у ВТК. Доставка здійснюється по всій Україні одразу після внесення оплати. Ми пропонуємо своїм клієнтам вигідні умови співпраці – готівковий, безготівковий розрахунок. Виготовлення кріплення за кресленнями замовника.
Хомут червячный нержавеющий 80х100
Технічні характеристики
- Область застосування хомутаУніверсальний
- Тип хомутаЧерв'яковий
- Матеріал хомутаНержавіюча сталь
- Наявність гумової прокладкиНі
- Гарантійний термін36
- СтанНове
Відгуків про цей товар ще не було.
