- Які характеристики має товар Хомут черв'ячний нержавіючий 130х150? ❯
- Яка ціна товару Хомут черв'ячний нержавіючий 130х150 і чи вона актуальна? ❯
- До якої категорії належить товар Хомут черв'ячний нержавіючий 130х150? ❯
- Чи можна замовити доставку для товару Хомут черв'ячний нержавіючий 130х150? ❯
- Які переваги покупки Хомут черв'ячний нержавіючий 130х150 саме у цього виробника KrepZevs? ❯
- Де можна знайти інші товари, схожі на Хомут черв'ячний нержавіючий 130х150? ❯
- ВиробникKrepZevs
- НаявністьВ наявності
- Область застосування хомутаУніверсальний
- Тип хомутаЧерв'яковий
- Усі характеристики
- Мінімальна сумма замовлення - 2000 грн
- Надійна сировина та обладнання: Компанія використовує перевірену сировину та сучасне обладнання для виробництва кріпильних елементів.
- Дослідна команда: Виробництвом стандартних та спеціальних рішень займається команда професіоналів.
- Співпраця з виробниками: Компанія співпрацює з відповідальними заводами-виробниками з України та Європи.
Хомут черв'ячний нержавіючий 130х150 – елемент кріплення шлангів, патрубків та труб, як у побуті, так і на виробництві. Конструкція даного виробу забезпечує необхідний зазор та оптимальний кут різьблення в парі гвинт-стрічка, що дозволяє рівномірно розподілити зусилля стиснення по периметру та збільшити граничний момент затягування.
Виготовляють кріплення з нержавіючої сталі, яка дозволяє його експлуатацію при різних температурних режимах, а також в агресивному середовищі. Відбирання по краях стрічки не пошкоджує шланги, а згладжені кромки захищають руки від травми. Для монтажу/демонтажу використовується гайковий ключ або викрутки.
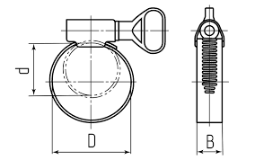
Схема хомута

Розмірний ряд:
Ø8-12 мм
Ø12-20 мм
Ø16-25 мм
Ø20-32 мм
Ø25-40 мм
Ø30-45 мм
Ø40-60 мм
Ø55-70 мм
Ø65-80 мм
Ø75-95 мм
Ø90-110 мм
Ø105-120 мм
Ø115-130 мм
Ø125-140 мм
Ø140-160 мм
Ø155-190 мм
Ø190-205 мм
Замовити хомут черв'ячний нержавіючий можна на сайті компанії «Зевс», залишивши заявку онлайн. Купуючи товар на нашому підприємстві, ви отримуєте продукцію після попередньої перевірки у ВТК. У нашому каталозі представлений великий асортимент кріплення з різними типорозмірами. Для постійних клієнтів та оптових покупців діє гнучка система знижок. Ми виготовляємо металовироби за кресленнями замовника.
Хомут червячный нержавеющий 130х150
Технічні характеристики
- Область застосування хомутаУніверсальний
- Тип хомутаЧерв'яковий
- Матеріал хомутаНержавіюча сталь
- Наявність гумової прокладкиНі
- Гарантійний термін36
- СтанНове
Відгуків про цей товар ще не було.
