- Які характеристики має товар Редуктор циліндричний 1Ц2У-200-8? ❯
- Яка ціна товару Редуктор циліндричний 1Ц2У-200-8 і чи вона актуальна? ❯
- До якої категорії належить товар Редуктор циліндричний 1Ц2У-200-8? ❯
- Чи можна замовити доставку для товару Редуктор циліндричний 1Ц2У-200-8? ❯
- Які переваги покупки Редуктор циліндричний 1Ц2У-200-8 саме у цього виробника KrepZevs? ❯
- Де можна знайти інші товари, схожі на Редуктор циліндричний 1Ц2У-200-8? ❯
- ВиробникKrepZevs
- НаявністьВ наявності
- ТипРедуктор
- Тип редуктораЦиліндричний
- Усі характеристики
- Мінімальна сумма замовлення - 2000 грн
- Надійна сировина та обладнання: Компанія використовує перевірену сировину та сучасне обладнання для виробництва кріпильних елементів.
- Дослідна команда: Виробництвом стандартних та спеціальних рішень займається команда професіоналів.
- Співпраця з виробниками: Компанія співпрацює з відповідальними заводами-виробниками з України та Європи.
Циліндричний двоступінчастий редуктор 1Ц2У-200-8
Редуктор 1Ц2У-200-8 є промисловим перетворювачем, який встановлюється для оптимізації роботи на виробництві. Дані пристрої призначені для зниження частоти обертання веденого валу, в той же час, збільшуючи момент, що крутить.
Встановлюють редуктори у приміщеннях із слабкою запиленістю повітря. Слід пам'ятати, що максимально можлива швидкість, що подається на вхідний вал, не повинна перебільшувати 1800 обертів на хвилину. Агрегати мають високий показник ККД, не нагріваються та мають тривалий термін служби.
На нашому сайті можна знайти великий вибір циліндричних редукторів. Купити редуктор 1Ц2У-200 можна, зателефонувавши за телефоном, вказаним на сайті. Наші менеджери нададуть вам розгорнуту інформацію щодо характеристик апарату, умов придбання та доставки. Доставка можлива в будь-яку точку України у найближчий термін.
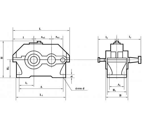
Схема габаритних та приєднувальних розмірів редуктора 1Ц2У-200

| Типорозмір | wт | wб | A | B | 1 | H | 1 | h | L | 1 | 2 | 3 | 4 | 5 | d |
| 1Ц2У - 200-8 | 200 | 125 | 515 | 230 | 165 | 420 | 212 | 30 | 670 | 580 | 165 | 236 | 212 | 280 | 24 |
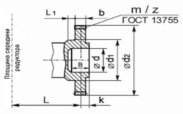
Приєднувальні розміри конічних валів редуктора 1Ц2У-200

| Типорозмір | швидкохідний | тихохідний | ||||||||||
| d | 1 | l | 1 | b | t | d | 1 | l | 1 | b | t | |
| 1Ц2У-200-8 | 30 | М20х1,5 | 80 | 58 | 5 | 15,55 | 70 | М48х3,0 | 140 | 105 | 18 | 36,38 |
Приєднувальні розміри циліндричних валів редуктора 1Ц2У-200

| Типорозмір | швидкохідний | тихохідний | ||||||
| d | l | b | t | d | l | b | t | |
| 1Ц2У-200-8 | 25k6 | 58 | 8 | 28 | 65m6 | 105 | 18 | 69 |
Приєднувальні розміри у вигляді зубчастої напівмуфти редуктора 1Ц2У-200

| Типорозмір | b | d | 1 | 2 | 3 | L | l | 1 | Зачеплення | |
| m | z | |||||||||
| 1Ц2У-200-8 | 25 | 210 | 100 | 80F8 | 105 | 192 | 10 | 50 | 5 | 40 |
Технічні характеристики редуктора 1Ц2У-200
| Найменування технічних характеристик | Од. вим. | Типорозмір | |
| 1Ц2У-200 | |||
| Передавальні числа | 8 | ||
|
Допустиме радіальне консольне навантаження |
на швидкохідному валу | Н | 2240 |
| на тихохідному валу | 12500 | ||
|
Номінальний момент, що крутить, на вихідному валу |
Н.м | 2500 | |
| ККД | % | 0,97 | |
| Маса | кг | 170 | |
Варіанти складання редукторів 1Ц2У

Приклад умовного позначення редуктора 1Ц2У-200

Редуктор цилиндрический 1Ц2У-200-8
Технічні характеристики
- ТипРедуктор
- Тип редуктораЦиліндричний
- Кількість робочих ступенів2
- Тип корпусуЛитою
- Частота обертання вхідного валу1800
- Вага170
- Розташування валів редуктораГоризонтальне
- Номінальне передатне число8
- Спосіб кріпленняНа лапки
- Тип робочого навантаженняРеверсивна
- Матеріал корпусуалюміній, сталь, чавун
- Супровідний документПаспорт
- Міжосьова відстань200
- Гарантія12 місяців
- СтанНове
Відгуків про цей товар ще не було.
