- Які характеристики має товар Редуктор циліндричний 1Ц2У-315-31.5? ❯
- Яка ціна товару Редуктор циліндричний 1Ц2У-315-31.5 і чи вона актуальна? ❯
- До якої категорії належить товар Редуктор циліндричний 1Ц2У-315-31.5? ❯
- Чи можна замовити доставку для товару Редуктор циліндричний 1Ц2У-315-31.5? ❯
- Які переваги покупки Редуктор циліндричний 1Ц2У-315-31.5 саме у цього виробника KrepZevs? ❯
- Де можна знайти інші товари, схожі на Редуктор циліндричний 1Ц2У-315-31.5? ❯
- ВиробникKrepZevs
- НаявністьВ наявності
- ТипРедуктор
- Тип редуктораЦиліндричний
- Усі характеристики
- Мінімальна сумма замовлення - 2000 грн
- Надійна сировина та обладнання: Компанія використовує перевірену сировину та сучасне обладнання для виробництва кріпильних елементів.
- Дослідна команда: Виробництвом стандартних та спеціальних рішень займається команда професіоналів.
- Співпраця з виробниками: Компанія співпрацює з відповідальними заводами-виробниками з України та Європи.
Циліндричний двоступінчастий редуктор 1Ц2У-315-31.5
Дані редуктори із серії 1Ц2У мають міжосьову відстань 315 (мм) та передавальне число 31.5. Такі агрегати оснащені двома ступенями та мають циліндричний тип передачі. Встановлюють перетворювачі для збільшення моменту, що крутить, і зменшення кутової швидкості вихідного валу.
Перевагою використання даних пристроїв є високий рівень ККД, стабільність та надійність у роботі, стійкість до перевантажень та довговічність.
Зателефонувавши, за телефоном вказаним на сайті, ви отримаєте детальну консультацію щодо будь-якого конструкційного питання. Наші менеджери завжди раді допомогти вам з вибором пристрою, надавши прозору інформацію про агрегат, способи доставки та оплати. Ви можете купити редуктор 1Ц2У-315, ціна якого є цілком прийнятною, з передавальними числами в діапазоні від 8 до 40. Також існує 18 варіантів складання перетворювача, що дозволяє легко підібрати необхідний монтажний варіант.
Співпрацюючи з компанією «Зевс» ви отримуєте:
- обслуговування європейської якості;
- якісні пристрої за доступною ціною;
- професійну консультацію;
- унікальний паспорт;
- гарантію від виробника на 12 місяців;
- своєчасну доставку.
Схема габаритних і приєднувальних розмірів редуктора 1Ц2У-315

| Типорозмір | A wт | A wб | B | B1 | B2 | H | H1 | h | L | L1 | L2 | L3 | L4 | L5 | d |
| 1Ц2У - 315-31,5 | 315 | 200 | 395 | 260 | 318 | 685 | 335 | 35 | 1030 | 370 | 215 | 360 | 300 | 420 | 28 |
Приєднувальні розміри конічних валів редуктора 1Ц2У-315

| Типорозмір | швидкохідний вал | тихохідний вал | ||||||
| d | l | b | t | d | l | b | t | |
| 1Ц2У-315-31,5 | 50k6 | 110 | 14 | 53,5 | 110m6 | 210 | 28 | 116 |
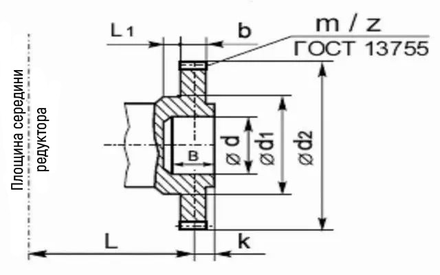
Приєднувальні розміри циліндричних валів редуктора 1Ц2У-315

| Типорозмір | b | d | d1 | d2 | d3 | L | l | l1 | Зачеплення | |
| m | z | |||||||||
| 1Ц2У-315-31,5 | 30 | 252 | 130 | 110F8 | 140 | 275 | 10 | 60 | 6 | 40 |
Приєднувальні розміри у вигляді зубчастої напівмуфти редуктора 1Ц2У-315

| Типорозмір | b | d | d1 | d2 | d3 | L |
| 1Ц2У-315-31,5 | 5 | 110h9 | 75h9 | 55 | М8х20 | 200 |
Технічні характеристики редуктора 1Ц2У-315
| Найменування технічних характеристик | Од. вим. | Типорозмір | |
| 1Ц2У-315 | |||
| Передавальні числа | 31,5 | ||
|
Допустиме радіальне консольне навантаження |
на швидкохідному валу | Н | 3500 |
| на т/х циліндричному валу | 30000 | ||
| на т/х валу у вигляді зубчастої муфти | 40000 | ||
|
Номінальний момент, що крутить, на вихідному валу |
Н.м. | 10000 | |
| ККД | % | 0,98 | |
| Маса | кг | 510 | |
Варіанти складання редукторів 1Ц2У

Приклад умовного позначення редуктора 1Ц2У-315

Редуктор цилиндрический 1Ц2У-315-31.5
Технічні характеристики
- ТипРедуктор
- Тип редуктораЦиліндричний
- Кількість робочих ступенів2
- Тип корпусуЛитою
- Частота обертання вхідного валу1800
- Вага510
- Розташування валів редуктораГоризонтальне
- Номінальне передатне число31.5
- Спосіб кріпленняНа лапки
- Тип робочого навантаженняпостійна, змінна, реверсивна
- Матеріал корпусуалюміній, сталь, чавун
- Супровідний документПаспорт
- Міжосьова відстань315
- Гарантія12 місяців
- СтанНове
Відгуків про цей товар ще не було.
