- Які характеристики має товар Редуктор циліндричний 1Ц2У-400-12.5? ❯
- Яка ціна товару Редуктор циліндричний 1Ц2У-400-12.5 і чи вона актуальна? ❯
- До якої категорії належить товар Редуктор циліндричний 1Ц2У-400-12.5? ❯
- Чи можна замовити доставку для товару Редуктор циліндричний 1Ц2У-400-12.5? ❯
- Які переваги покупки Редуктор циліндричний 1Ц2У-400-12.5 саме у цього виробника KrepZevs? ❯
- Де можна знайти інші товари, схожі на Редуктор циліндричний 1Ц2У-400-12.5? ❯
- ВиробникKrepZevs
- НаявністьВ наявності
- ТипРедуктор
- Тип редуктораЦиліндричний
- Усі характеристики
- Мінімальна сумма замовлення - 2000 грн
- Надійна сировина та обладнання: Компанія використовує перевірену сировину та сучасне обладнання для виробництва кріпильних елементів.
- Дослідна команда: Виробництвом стандартних та спеціальних рішень займається команда професіоналів.
- Співпраця з виробниками: Компанія співпрацює з відповідальними заводами-виробниками з України та Європи.
Циліндричний двоступінчастий редуктор 1Ц2У-400-12.5
Редуктори 1Ц2У-400-12.5 розробили спеціально для отримання оптимальних умов проведення різних технологічних процесів. Дані пристрої мають циліндричний тип передачі, який служить перетворення величин моменту кручення і частоти обертання. Редуктори використовують практично у всіх галузях народного господарства.
Такі пристрої цінують за високу продуктивність (ККД досягає 97%), можливість роботи при великих навантаженнях у різних експлуатаційних режимах та тривалий термін служби.
Компанія «Зевс» пропонує купити редуктор 1Ц2У-400, ціна якого розраховується з урахуванням передавального числа та варіанта складання, просто зателефонувавши. Наші менеджери дадуть відповідь на всі ваші запитання та нададуть інформацію щодо доставки та оплати пристрою. Співпрацюючи з нами, ви отримуєте якісні апарати, які прослужать вам багато років. У комплекті з редуктором іде унікальний паспорт, з усіма печатками та гарантія на 12 місяців. Доставка можлива по всій території країни у найкоротші терміни.
Схема габаритних і приєднувальних розмірів редуктора 1Ц2У-400

| Типорозмір | A wт | A wб | B | B1 | B2 | H | H1 | h | L | L1 | L2 | L3 | L4 | L5 | d |
| 1Ц2У - 400-12,5 | 400 | 250 | 475 | 330 | 420 | 835 | 425 | 42 | 1300 | 475 | 280 | 450 | 380 | 500 | 35 |
Приєднувальні розміри конічних валів редуктора 1Ц2У-400

| Типорозмір | швидкохідний вал | тихохідний вал | ||||||
| d | l | b | t | d | l | b | t | |
| 1Ц2У-400-12,5 | 60m6 | 140 | 18 | 64 | 140m6 | 250 | 36 | 148 |
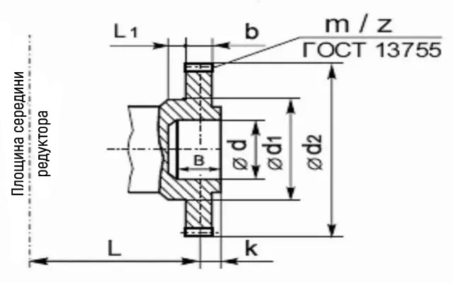
Приєднувальні розміри циліндричних валів редуктора 1Ц2У-400

| Типорозмір | b | d | d1 | d2 | d3 | L | l | l1 | Зачеплення | |
| m | z | |||||||||
| 1Ц2У-400-12,5 | 40 | 336 | 180 | 150F8 | 215 | 335 | 15 | 65 | 8 | 40 |
Приєднувальні розміри у вигляді зубчастої напівмуфти редуктора 1Ц2У-400

| Типорозмір | b | d | d1 | d2 | d3 | L |
| 1Ц2У-400-12,5 | 5 | 140h9 | 75h9 | 55 | М8х20 | 240 |
Технічні характеристики редуктора 1Ц2У-400
| Найменування технічних характеристик | Од. вим. | Типорозмір | |
| 1Ц2У-400 | |||
| Передавальні числа | 12,5 | ||
|
Допустиме радіальне консольне навантаження |
на швидкохідному валу | Н | 4800 |
| на т/х циліндричному валу | 45000 | ||
| на т/х валу у вигляді зубчастої муфти | 56000 | ||
|
Номінальний момент, що крутить, на вихідному валу |
Н.м. | 20000 | |
| ККД | % | 0,97 | |
| Маса | кг | 930 | |
Варіанти складання редукторів 1Ц2У

Приклад умовного позначення редуктора 1Ц2У-400

Редуктор цилиндрический 1Ц2У-400-12.5
Технічні характеристики
- ТипРедуктор
- Тип редуктораЦиліндричний
- Кількість робочих ступенів2
- Тип корпусуЛитою
- Частота обертання вхідного валу1800
- Вага930
- Розташування валів редуктораГоризонтальне
- Номінальне передатне число12.5
- Спосіб кріпленняНа лапки
- Тип робочого навантаженняпостійна, змінна, реверсивна
- Матеріал корпусуалюміній, сталь, чавун
- Супровідний документПаспорт
- Міжосьова відстань400
- Гарантія12 місяців
- СтанНове
Відгуків про цей товар ще не було.
