- Які характеристики має товар Редуктор циліндричний 1Ц2У-400-31.5? ❯
- Яка ціна товару Редуктор циліндричний 1Ц2У-400-31.5 і чи вона актуальна? ❯
- До якої категорії належить товар Редуктор циліндричний 1Ц2У-400-31.5? ❯
- Чи можна замовити доставку для товару Редуктор циліндричний 1Ц2У-400-31.5? ❯
- Які переваги покупки Редуктор циліндричний 1Ц2У-400-31.5 саме у цього виробника KrepZevs? ❯
- Де можна знайти інші товари, схожі на Редуктор циліндричний 1Ц2У-400-31.5? ❯
- ВиробникKrepZevs
- НаявністьВ наявності
- ТипРедуктор
- Тип редуктораЦиліндричний
- Усі характеристики
- Мінімальна сумма замовлення - 2000 грн
- Надійна сировина та обладнання: Компанія використовує перевірену сировину та сучасне обладнання для виробництва кріпильних елементів.
- Дослідна команда: Виробництвом стандартних та спеціальних рішень займається команда професіоналів.
- Співпраця з виробниками: Компанія співпрацює з відповідальними заводами-виробниками з України та Європи.
Циліндричний двоступінчастий редуктор 1Ц2У-400-31.5
Двоступінчасті редуктори 1Ц2У-400-31.5 використовують для вдосконалення та оптимізації будь-якого виробничого процесу. Дані пристрої оснащені двома ступенями та має горизонтальне розташування паралельних валів. Кінці валу можуть мати різне виконання, що необхідно уточнювати під час замовлення пристрою. Служать редуктори для збільшення моменту, що крутить, і зниження кутової швидкості на вихідному валу по відношенню до вхідного.
Компанія «Зевс» пропонує купити редуктор 1Ц2У-400, ціна якого розраховується з урахуванням передавального числа та варіанта складання, просто зателефонувавши. Наші менеджери дадуть відповідь на всі ваші запитання та нададуть інформацію щодо доставки та оплати пристрою. Співпрацюючи з нами, ви отримуєте якісні апарати, які прослужать вам багато років. У комплекті з редуктором іде унікальний паспорт, з усіма печатками та гарантія на 12 місяців. Доставка можлива по всій території країни у найкоротші терміни.
Схема габаритних і приєднувальних розмірів редуктора 1Ц2У-400

| Типорозмір | A wт | A wб | B | B1 | B2 | H | H1 | h | L | L1 | L2 | L3 | L4 | L5 | d |
| 1Ц2У - 400-31,5 | 400 | 250 | 475 | 330 | 420 | 835 | 425 | 42 | 1300 | 475 | 280 | 450 | 380 | 500 | 35 |
Приєднувальні розміри конічних валів редуктора 1Ц2У-400

| Типорозмір | швидкохідний вал | тихохідний вал | ||||||
| d | l | b | t | d | l | b | t | |
| 1Ц2У-400-31,5 | 60m6 | 140 | 18 | 64 | 140m6 | 250 | 36 | 148 |
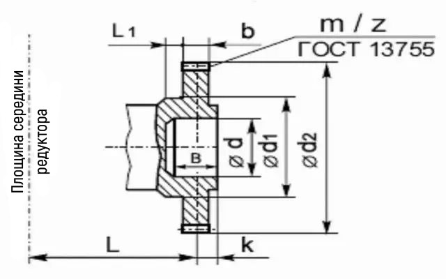
Приєднувальні розміри циліндричних валів редуктора 1Ц2У-400

| Типорозмір | b | d | d1 | d2 | d3 | L | l | l1 | Зачеплення | |
| m | z | |||||||||
| 1Ц2У-400-31,5 | 40 | 336 | 180 | 150F8 | 215 | 335 | 15 | 65 | 8 | 40 |
Приєднувальні розміри у вигляді зубчастої напівмуфти редуктора 1Ц2У-400

| Типорозмір | b | d | d1 | d2 | d3 | L |
| 1Ц2У-400-31,5 | 5 | 140h9 | 75h9 | 55 | М8х20 | 240 |
Технічні характеристики редуктора 1Ц2У-400
| Найменування технічних характеристик | Од. вим. | Типорозмір | |
| 1Ц2У-400 | |||
| Передавальні числа | 31,5 | ||
|
Допустиме радіальне консольне навантаження |
на швидкохідному валу | Н | 4800 |
| на т/х циліндричному валу | 45000 | ||
| на т/х валу у вигляді зубчастої муфти | 56000 | ||
|
Номінальний момент, що крутить, на вихідному валу |
Н.м. | 20000 | |
| ККД | % | 0,97 | |
| Маса | кг | 930 | |
Варіанти складання редукторів 1Ц2У

Приклад умовного позначення редуктора 1Ц2У-400

Редуктор цилиндрический 1Ц2У-400-31.5
Технічні характеристики
- ТипРедуктор
- Тип редуктораЦиліндричний
- Кількість робочих ступенів2
- Тип корпусуЛитою
- Частота обертання вхідного валу1800
- Вага930
- Розташування валів редуктораГоризонтальне
- Номінальне передатне число31.5
- Спосіб кріпленняНа лапки
- Тип робочого навантаженняпостійна, змінна, реверсивна
- Матеріал корпусуалюміній, сталь, чавун
- Супровідний документПаспорт
- Міжосьова відстань400
- Гарантія12 місяців
- СтанНове
Відгуків про цей товар ще не було.
