- Які характеристики має товар Редуктор циліндричний 1Ц2У-450-12.5? ❯
- Яка ціна товару Редуктор циліндричний 1Ц2У-450-12.5 і чи вона актуальна? ❯
- До якої категорії належить товар Редуктор циліндричний 1Ц2У-450-12.5? ❯
- Чи можна замовити доставку для товару Редуктор циліндричний 1Ц2У-450-12.5? ❯
- Які переваги покупки Редуктор циліндричний 1Ц2У-450-12.5 саме у цього виробника KrepZevs? ❯
- Де можна знайти інші товари, схожі на Редуктор циліндричний 1Ц2У-450-12.5? ❯
- ВиробникKrepZevs
- НаявністьВ наявності
- ТипРедуктор
- Тип редуктораЦиліндричний
- Усі характеристики
- Мінімальна сумма замовлення - 2000 грн
- Надійна сировина та обладнання: Компанія використовує перевірену сировину та сучасне обладнання для виробництва кріпильних елементів.
- Дослідна команда: Виробництвом стандартних та спеціальних рішень займається команда професіоналів.
- Співпраця з виробниками: Компанія співпрацює з відповідальними заводами-виробниками з України та Європи.
Циліндричний двоступінчастий редуктор 1Ц2У-450-12.5
Циліндричні пристрої 1Ц2У-450-12.5 користуються великою популярністю, оскільки мають тривалий експлуатаційний термін, високі показники ККД та стійкі до перевантажень. Дані редуктори встановлюють обладнання та машини загальнопромислового застосування для отримання необхідних параметрів таких величин як крутний момент і частота обертання.
Якщо вам потрібен якісний перетворювач, зверніться до компанії «Зевс». На нашому сайті ви можете купити циліндричні редуктори 1Ц2У-450, ціна якого нижча за ринкову. Ми виробляємо та поставляємо редуктори найвищого класу, які прослужать у вас багато років. У комплекті з пристроєм йде унікальний паспорт та гарантія на 12 місяців.
Схема габаритних і приєднувальних розмірів редуктора 1Ц2У-450

| Типорозмір | A wт | A wб | B | B1 | B2 | H | H1 | h | L | L1 | L2 | L3 | L4 | L5 | d |
| 1Ц2Н - 450-12,5 | 450 | 280 | 630 | 515 | 590 | 955 | 475 | 60 | 1460 | 530 | 310 | 500 | 500 | 650 | 35 |
Приєднувальні розміри конічних валів редуктора 1Ц2У-450

| Типорозмір | швидкохідний вал | тихохідний вал | ||||||
| d | l | b | t | d | l | b | t | |
| 1Ц2Н-450-12,5 | 80m6 | 170 | 22 | 85 | 160m6 | 300 | 40 | 169 |
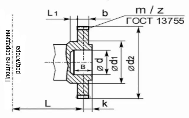
Приєднувальні розміри циліндричних валів редуктора 1Ц2У-450

| Типорозмір | b | d | d1 | d2 | d3 | L | l | l1 | Зачеплення | |
| m | z | |||||||||
| 1Ц2Н-450-12,5 | 50 | 420 | 200 | 160F8 | 230 | 440 | 15 | 70 | 10 | 40 |
Приєднувальні розміри у вигляді зубчастої напівмуфти редуктора 1Ц2У-450

| Типорозмір | b | d | d1 | d2 | d3 | L |
| 1Ц2Н-450-12,5 | 5 | 180h9 | 75h9 | 55 | М8х20 | 340 |
Технічні характеристики редуктора 1Ц2У-450
| Найменування технічних характеристик | Од. вим. | Типорозмір | |
| 1Ц2Н-450 | |||
| Передавальні числа | 12,5 | ||
|
Допустиме радіальне консольне навантаження |
на швидкохідному валу | Н | 8200 |
| на т/х циліндричному валу | 71000 | ||
| на т/х валу у вигляді зубчастої муфти | 95000 | ||
|
Номінальний момент, що крутить, на вихідному валу |
Н.м. | 40000 | |
| ККД | % | 0,97 | |
| Маса | кг | 1530 | |
Варіанти складання редукторів 1Ц2У

Приклад умовного позначення редуктора 1Ц2У-450

Редуктор цилиндрический 1Ц2У-450-12.5
Технічні характеристики
- ТипРедуктор
- Тип редуктораЦиліндричний
- Кількість робочих ступенів2
- Тип корпусуЛитою
- Частота обертання вхідного валу1800
- Вага1530
- Розташування валів редуктораГоризонтальне
- Номінальне передатне число12.5
- Спосіб кріпленняНа лапки
- Тип робочого навантаженняпостійна, змінна, реверсивна
- Матеріал корпусуалюміній, сталь, чавун
- Супровідний документПаспорт
- Міжосьова відстань450
- Гарантія12 місяців
- СтанНове
Відгуків про цей товар ще не було.
