- Які характеристики має товар Редуктор циліндричний 1Ц2У-450-20? ❯
- Яка ціна товару Редуктор циліндричний 1Ц2У-450-20 і чи вона актуальна? ❯
- До якої категорії належить товар Редуктор циліндричний 1Ц2У-450-20? ❯
- Чи можна замовити доставку для товару Редуктор циліндричний 1Ц2У-450-20? ❯
- Які переваги покупки Редуктор циліндричний 1Ц2У-450-20 саме у цього виробника KrepZevs? ❯
- Де можна знайти інші товари, схожі на Редуктор циліндричний 1Ц2У-450-20? ❯
- ВиробникKrepZevs
- НаявністьВ наявності
- ТипРедуктор
- Тип редуктораЦиліндричний
- Усі характеристики
- Мінімальна сумма замовлення - 2000 грн
- Надійна сировина та обладнання: Компанія використовує перевірену сировину та сучасне обладнання для виробництва кріпильних елементів.
- Дослідна команда: Виробництвом стандартних та спеціальних рішень займається команда професіоналів.
- Співпраця з виробниками: Компанія співпрацює з відповідальними заводами-виробниками з України та Європи.
Циліндричний двоступінчастий редуктор 1Ц2У-450-20
Одним із яскравих представників циліндричних перетворювачів є двоступінчастий редуктор 1Ц2У-450-20. Даний пристрій має міжосьову відстань рівну 450 мм. Вали розташовані паралельно горизонтальній площині. Кінці валів можуть виходити як з одного, так і з обох боків вузького корпусу (залежить від варіанта збирання). Але завжди у горизонтальній площині.
У нас ви можете купити редуктори з циліндричними, конічними кінцями, або з кінцями у формі зубчастої напівмуфти.
Якщо вам потрібен якісний перетворювач, зверніться до компанії «Зевс». На нашому сайті ви можете купити циліндричні редуктори 1Ц2У-450, ціна якого нижча за ринкову. Ми виробляємо та поставляємо редуктори найвищого класу, які прослужать у вас багато років. У комплекті з пристроєм йде унікальний паспорт та гарантія на 12 місяців.
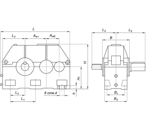
Схема габаритних і приєднувальних розмірів редуктора 1Ц2У-450

| Типорозмір | A wт | A wб | B | B1 | B2 | H | H1 | h | L | L1 | L2 | L3 | L4 | L5 | d |
| 1Ц2Н - 450-20 | 450 | 280 | 630 | 515 | 590 | 955 | 475 | 60 | 1460 | 530 | 310 | 500 | 500 | 650 | 35 |
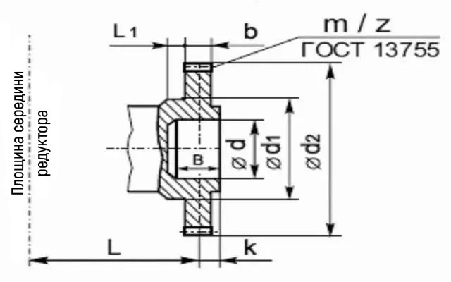
Приєднувальні розміри конічних валів редуктора 1Ц2У-450

| Типорозмір | швидкохідний вал | тихохідний вал | ||||||
| d | l | b | t | d | l | b | t | |
| 1Ц2Н-450-20 | 80m6 | 170 | 22 | 85 | 160m6 | 300 | 40 | 169 |
Приєднувальні розміри циліндричних валів редуктора 1Ц2У-450

| Типорозмір | b | d | d1 | d2 | d3 | L | l | l1 | Зачеплення | |
| m | z | |||||||||
| 1Ц2Н-450-20 | 50 | 420 | 200 | 160F8 | 230 | 440 | 15 | 70 | 10 | 40 |
Приєднувальні розміри у вигляді зубчастої напівмуфти редуктора 1Ц2У-450

| Типорозмір | b | d | d1 | d2 | d3 | L |
| 1Ц2Н-450-20 | 5 | 180h9 | 75h9 | 55 | М8х20 | 340 |
Технічні характеристики редуктора 1Ц2У-450
| Найменування технічних характеристик | Од.вим. | Типорозмір | |
| 1Ц2Н-450 | |||
| Передавальні числа | 20 | ||
|
Допустиме радіальне консольне навантаження |
на швидкохідному валу | Н | 8200 |
| на т/х циліндричному валу | 71000 | ||
| на т/х валу у вигляді зубчастої муфти | 95000 | ||
|
Номінальний момент, що крутить, на вихідному валу |
Н.м. | 40000 | |
| ККД | % | 0,97 | |
| Маса | кг | 1530 | |
Варіанти складання редукторів 1Ц2У

Приклад умовного позначення редуктора 1Ц2У-450

Редуктор цилиндрический 1Ц2У-450-20
Технічні характеристики
- ТипРедуктор
- Тип редуктораЦиліндричний
- Кількість робочих ступенів2
- Тип корпусуЛитою
- Частота обертання вхідного валу1800
- Вага1530
- Розташування валів редуктораГоризонтальне
- Номінальне передатне число20
- Спосіб кріпленняНа лапки
- Тип робочого навантаженняпостійна, змінна, реверсивна
- Матеріал корпусуалюміній, сталь, чавун
- Супровідний документПаспорт
- Міжосьова відстань450
- Гарантія12 місяців
- СтанНове
Відгуків про цей товар ще не було.
