- Які характеристики має товар Шайба Ф100 стопорна багатолапчаста ГОСТ 11872-80, DIN 5406? ❯
- Яка ціна товару Шайба Ф100 стопорна багатолапчаста ГОСТ 11872-80, DIN 5406 і чи вона актуальна? ❯
- До якої категорії належить товар Шайба Ф100 стопорна багатолапчаста ГОСТ 11872-80, DIN 5406? ❯
- Чи можна замовити доставку для товару Шайба Ф100 стопорна багатолапчаста ГОСТ 11872-80, DIN 5406? ❯
- Які переваги покупки Шайба Ф100 стопорна багатолапчаста ГОСТ 11872-80, DIN 5406 саме у цього виробника KrepZevs? ❯
- Де можна знайти інші товари, схожі на Шайба Ф100 стопорна багатолапчаста ГОСТ 11872-80, DIN 5406? ❯
- ВиробникKrepZevs
- НаявністьВ наявності
- Вид шайбиСтопорна з лапками
- Внутрішній діаметр101
- Усі характеристики
- Мінімальна сумма замовлення - 2000 грн
- Надійна сировина та обладнання: Компанія використовує перевірену сировину та сучасне обладнання для виробництва кріпильних елементів.
- Дослідна команда: Виробництвом стандартних та спеціальних рішень займається команда професіоналів.
- Співпраця з виробниками: Компанія співпрацює з відповідальними заводами-виробниками з України та Європи.
Стопорна багатолапчаста шайба Ф100 ГОСТ 11872 80, DIN 5406
Стопорна шайба Ф100 називається так через своє призначення - стопоріння шліцьової гайки з діаметром різьблення 100 (мм). Ця пара кріплення надійно фіксує концентричні елементи на валах.
Виробництво багатолапчастих шайб регламентується такими стандартами, як вітчизняний ГОСТ 11872-80 та німецький DIN 5406. Ці стандарти практично аналогічні, проте мають деякі відмінності в кількості лапок, тому рекомендуємо вибирати саме той виріб, який вказаний у специфікації до механізму.

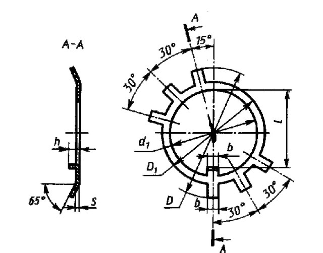
Розміри шайби багатолапчастої Ф100 (мм):
|
Характеристика |
Позначення |
Значення |
|
Діаметр різьби гайки |
d |
100 |
|
Внутрішній діаметр |
d1 |
101 |
|
Діаметр описаного кола |
d2 |
137 |
|
Зовнішній діаметр |
d3 |
120 |
|
Ширина лапки |
b |
11.5 |
|
Відстань до виступу |
l |
96 |
|
Радіус скруглення, не більше |
r |
1 |
|
Товщина шайби |
s |
2 |
|
Вага однієї шайби, г |
|
63.20 |
Звернувшись до менеджерів компанії «Зевс», Ви зможете купити кріплення з нержавіючої сталі, латуні або конструкційних сталей. Доставляємо замовлення у будь-який регіон країни. Гарантія якості виробу – 36 місяців із моменту придбання. Для постійних клієнтів та оптових покупців діє гнучка система знижок. Ціна металовиробів вас порадує, тому що ми завжди прагнемо довгострокових взаємовигідних відносин з клієнтами, а не одноразової вигоди. Телефонуйте!
Шайба Ф100 стопорная многолапчатая ГОСТ 11872-80, DIN 5406
Технічні характеристики
- Вид шайбиСтопорна з лапками
- Внутрішній діаметр101
- Зовнішній діаметр120
- Товщина шайби2
- Матеріал шайбиСталь
- Гарантійний термін36
- СтанНове
Відгуків про цей товар ще не було.
