- Які характеристики має товар Шплінт Ф2.5 ГОСТ 397-79 розвідний? ❯
- Яка ціна товару Шплінт Ф2.5 ГОСТ 397-79 розвідний і чи вона актуальна? ❯
- До якої категорії належить товар Шплінт Ф2.5 ГОСТ 397-79 розвідний? ❯
- Чи можна замовити доставку для товару Шплінт Ф2.5 ГОСТ 397-79 розвідний? ❯
- Які переваги покупки Шплінт Ф2.5 ГОСТ 397-79 розвідний саме у цього виробника KrepZevs? ❯
- Де можна знайти інші товари, схожі на Шплінт Ф2.5 ГОСТ 397-79 розвідний? ❯
- ВиробникKrepZevs
- НаявністьВ наявності
- Тип шплінтуРозвідний
- Матеріал шплінтуСталь
- Усі характеристики
- Мінімальна сумма замовлення - 2000 грн
- Надійна сировина та обладнання: Компанія використовує перевірену сировину та сучасне обладнання для виробництва кріпильних елементів.
- Дослідна команда: Виробництвом стандартних та спеціальних рішень займається команда професіоналів.
- Співпраця з виробниками: Компанія співпрацює з відповідальними заводами-виробниками з України та Європи.
Шплінт сталевий Ф2.5 ГОСТ 397-79 розвідний
Установка розвідного шплінту Ф2.5 ГОСТ 397-79 допомагає захистити з'єднання від самовідгвинчування та ослаблення, якщо конструкція працює при сильній вібрації та інших негативних впливах.
Кріплення поміщається у підготовлене гніздо в головці болта або встановлюється у відповідних отворах у корончастих гайках. Виготовляють металовироби з вуглецевої сталі різних марок. Для комплектації вузла, всі елементи кріплення бажано підбирати в одному типорозмірі.
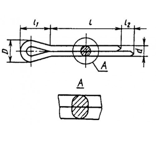
Конструкція шплінта ГОСТ 397-79

Основні характеристики:
|
Умовний діаметр шплінта d0 |
2,5 |
||
|
найб. |
2,3 |
||
|
d |
найм. |
2,1 |
|
|
L2 |
найб. |
2,5 |
|
|
найм. |
1,3 |
||
|
L1 |
5,0 |
||
|
найб. |
4,6 |
||
|
D |
найм. |
4,0 |
|
|
Рекомендовані діаметри |
Болт |
понад |
9,0 |
|
до |
11,0 |
||
|
Штифт, вісь |
понад |
8,0 |
|
|
до |
9,0 |
||
Не знаєте, де вигідно купити розвідний шплінт ГОСТ 397-79? Ми допоможемо вам підібрати відповідний елемент! Менеджери компанії "Зевс" проконсультують вас з усіх необхідних питань. Купуючи товар на нашому підприємстві, ви отримуєте максимальну якість металовиробу, при мінімальному терміні комплектування замовлення. Для постійних клієнтів та оптових покупців діє гнучка система знижок. Ми пропонуємо своїм клієнтам вигідні умови співпраці – готівковий та безготівковий розрахунок.
Шплинт Ф2.5 ГОСТ 397-79 разводной
Технічні характеристики
- Тип шплінтуРозвідний
- Матеріал шплінтуСталь
- ПокриттяЦинк без покриття
- Довжина шплінту10
- Умовний діаметр шплінту2.5
- Гарантійний термін36
- СтанНове
Відгуків про цей товар ще не було.
