- Які характеристики має товар Гвинт настановний М10 DIN 553? ❯
- Яка ціна товару Гвинт настановний М10 DIN 553 і чи вона актуальна? ❯
- До якої категорії належить товар Гвинт настановний М10 DIN 553? ❯
- Чи можна замовити доставку для товару Гвинт настановний М10 DIN 553? ❯
- Які переваги покупки Гвинт настановний М10 DIN 553 саме у цього виробника KrepZevs? ❯
- Де можна знайти інші товари, схожі на Гвинт настановний М10 DIN 553? ❯
- ВиробникKrepZevs
- НаявністьВ наявності
- Призначення гвинтаНастановний
- Тип гвинтаНевипадаючий
- Усі характеристики
- Мінімальна сумма замовлення - 2000 грн
- Надійна сировина та обладнання: Компанія використовує перевірену сировину та сучасне обладнання для виробництва кріпильних елементів.
- Дослідна команда: Виробництвом стандартних та спеціальних рішень займається команда професіоналів.
- Співпраця з виробниками: Компанія співпрацює з відповідальними заводами-виробниками з України та Європи.
Гвинти настановні М10 DIN 553 з конусоподібним кінцем і прямим шліцем
Настановні гвинти М10 DIN 553 призначені для вирішення багатьох виробничих завдань, пов'язаних із кріпленням різних елементів або вузлів конструкцій. Дані вироби створюють міцні та нероз'ємні з'єднання, які залишаються на довгі роки. Для виробництва кріплення використовують якісну леговану сталь марки 45Х.
На нашому сайті ви можете придбати гвинти настановні двох видів:
- З додатковим цинковим шаром – ці металовироби призначені для встановлення на відкритому повітрі.
- Без покриття (чорні) – експлуатують такі вироби лише усередині приміщення зі зниженою вологістю.
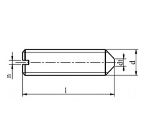
Креслення настановного гвинта DIN 553

Основні характеристики (мм):
|
Номінальний діаметр різьблення, d |
M10 |
|
|
Ширина шліця голівки гвинта, n |
1,6 |
|
|
Глибина шліця, t |
2,4 |
|
|
Діаметр конічного кінця, dt |
2,5 |
|
|
Довжина гвинта, l |
мін. |
10 |
|
макс. |
60 |
|
Якщо ви бажаєте купити настановний гвинт за дуже вигідною ціною або у вас виникли питання, то ви можете звернутися до співробітників нашої компанії «Зевс». Ми виробляємо металовироби тільки з якісного матеріалу у суворій відповідності ГОСТ та DIN. Також є можливість замовити кріплення нестандартних розмірів, надавши нам свої креслення. Для оптових покупців діє лояльна система знижок. Менеджери компанії завжди враховують побажання замовників та оперативно обробляють запити. Доставка можлива у будь-яку точку країни. Гарантія якості на вироби – 36 місяців з моменту придбання.
Винт установочный М10 DIN 553
Технічні характеристики
- Призначення гвинтаНастановний
- Тип гвинтаНевипадаючий
- Форма головки гвинтаБез голівки
- Вид шліцюПрямий (плоский)
- Форма кінця гвинтаУсічений конічний
- Матеріал гвинтаЛегована сталь
- Метричне різьблення, М10
- Крок різьблення1.6
- Гарантійний термін36
- СтанНове
- СтандартDIN 553
Відгуків про цей товар ще не було.
