- Які характеристики має товар Гвинт настановний М8 DIN 553? ❯
- Яка ціна товару Гвинт настановний М8 DIN 553 і чи вона актуальна? ❯
- До якої категорії належить товар Гвинт настановний М8 DIN 553? ❯
- Чи можна замовити доставку для товару Гвинт настановний М8 DIN 553? ❯
- Які переваги покупки Гвинт настановний М8 DIN 553 саме у цього виробника KrepZevs? ❯
- Де можна знайти інші товари, схожі на Гвинт настановний М8 DIN 553? ❯
- ВиробникKrepZevs
- НаявністьВ наявності
- Призначення гвинтаНастановний
- Тип гвинтаНевипадаючий
- Усі характеристики
- Мінімальна сумма замовлення - 2000 грн
- Надійна сировина та обладнання: Компанія використовує перевірену сировину та сучасне обладнання для виробництва кріпильних елементів.
- Дослідна команда: Виробництвом стандартних та спеціальних рішень займається команда професіоналів.
- Співпраця з виробниками: Компанія співпрацює з відповідальними заводами-виробниками з України та Європи.
Гвинти настановні М8 DIN 553 з конусоподібним кінцем і прямим шліцем
Гвинти настановні М8 DIN 553 сприяють створенню щільного, надійного, довговічного (нероз'ємного) з'єднання у різних виробничих сферах. Ці металовироби виготовляють з легованої сталі марки 45Х, тому вони розраховані на тривалі великі навантаження.
Завдяки своїй конструкції вироби створюють приховані з'єднання. Під час монтажу кріплення вставляють гострим кінцем у підготовлений різьбовий паз і вкручують за допомогою звичайної викрутки до упору.
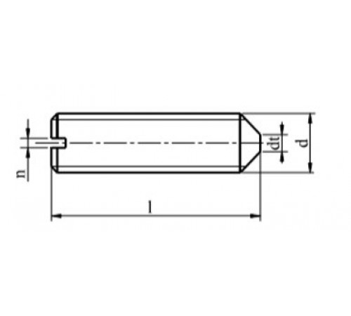
Креслення настановного гвинта DIN 553

Основні характеристики (мм):
|
Номінальний діаметр різьблення, d |
M8 |
|
|
Ширина шліця голівки гвинта, n |
1,2 |
|
|
Глибина шліця, t |
2 |
|
|
Діаметр конічного кінця, dt |
2 |
|
|
Довжина гвинта, l |
мін. |
8 |
|
макс. |
50 |
|
Якщо ви бажаєте купити настановний гвинт за дуже вигідною ціною або у вас виникли питання, то ви можете звернутися до співробітників нашої компанії «Зевс». Ми виробляємо металовироби тільки з якісного матеріалу у суворій відповідності ГОСТ та DIN. Також є можливість замовити кріплення нестандартних розмірів, надавши нам свої креслення. Для оптових покупців діє лояльна система знижок. Менеджери компанії завжди враховують побажання замовників та оперативно обробляють запити. Доставка можлива у будь-яку точку країни. Гарантія якості на вироби – 36 місяців з моменту придбання.
Винт установочный М8 DIN 553
Технічні характеристики
- Призначення гвинтаНастановний
- Тип гвинтаНевипадаючий
- Форма головки гвинтаБез голівки
- Вид шліцюПрямий (плоский)
- Форма кінця гвинтаУсічений конічний
- Матеріал гвинтаЛегована сталь
- Метричне різьблення, М8
- Крок різьблення1.2
- Гарантійний термін36
- СтанНове
- СтандартDIN 553
Відгуків про цей товар ще не було.
