- Які характеристики має товар Гвинт настановний М12 DIN 553? ❯
- Яка ціна товару Гвинт настановний М12 DIN 553 і чи вона актуальна? ❯
- До якої категорії належить товар Гвинт настановний М12 DIN 553? ❯
- Чи можна замовити доставку для товару Гвинт настановний М12 DIN 553? ❯
- Які переваги покупки Гвинт настановний М12 DIN 553 саме у цього виробника KrepZevs? ❯
- Де можна знайти інші товари, схожі на Гвинт настановний М12 DIN 553? ❯
- ВиробникKrepZevs
- НаявністьВ наявності
- Призначення гвинтаНастановний
- Тип гвинтаНевипадаючий
- Усі характеристики
- Мінімальна сумма замовлення - 2000 грн
- Надійна сировина та обладнання: Компанія використовує перевірену сировину та сучасне обладнання для виробництва кріпильних елементів.
- Дослідна команда: Виробництвом стандартних та спеціальних рішень займається команда професіоналів.
- Співпраця з виробниками: Компанія співпрацює з відповідальними заводами-виробниками з України та Європи.
Гвинти настановні М12 DIN 553 з конусоподібним кінцем і прямим шліцем
Кріплення М12 DIN 553 - це стопорний настановний гвинт, який призначений для створення нероз'ємних з'єднань. Такі вироби є єдиним стрижнем з метричним різьбленням, без голівки. Кріплення оснащене конусоподібним кінцем, який виконує роль напрямного руху в момент установки, а прямий шліц призначений для зручного монтажу за допомогою звичайного слюсарного інструменту. Відсутність голівки дає можливість створювати гладкі з'єднання без частин, що виступають.
Метизи виготовляють з легованої сталі марки 45Х, що дозволяє витримувати досить великі навантаження. Під час замовлення ви можете вибрати елементи як без покриття, так і з додатковим антикорозійним шаром.
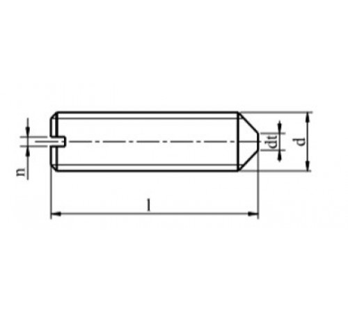
Креслення настановного гвинта DIN 553

Основні характеристики (мм):
|
Номінальний діаметр різьблення, d |
M12 |
|
|
Ширина шліця голівки гвинта, n |
2 |
|
|
Глибина шліця, t |
2,8 |
|
|
Діаметр конічного кінця, dt |
3 |
|
|
Довжина гвинта, l |
мін. |
20 |
|
макс. |
80 |
|
Якщо ви бажаєте купити настановний гвинт за дуже вигідною ціною або у вас виникли питання, то ви можете звернутися до співробітників нашої компанії «Зевс». Ми виробляємо металовироби тільки з якісного матеріалу у суворій відповідності ГОСТ та DIN. Також є можливість замовити кріплення нестандартних розмірів, надавши нам свої креслення. Для оптових покупців діє лояльна система знижок. Менеджери компанії завжди враховують побажання замовників та оперативно обробляють запити. Доставка можлива у будь-яку точку країни. Гарантія якості на вироби – 36 місяців з моменту придбання.
Винт установочный М12 DIN 553
Технічні характеристики
- Призначення гвинтаНастановний
- Тип гвинтаНевипадаючий
- Форма головки гвинтаБез голівки
- Вид шліцюПрямий (плоский)
- Форма кінця гвинтаУсічений конічний
- Матеріал гвинтаЛегована сталь
- Метричне різьблення, М12
- Крок різьблення2
- Гарантійний термін36
- СтанНове
- СтандартDIN 553
Відгуків про цей товар ще не було.
