- Які характеристики має товар Заклепка Ф2.4 DIN 7337 зі звичайним буртиком? ❯
- Яка ціна товару Заклепка Ф2.4 DIN 7337 зі звичайним буртиком і чи вона актуальна? ❯
- До якої категорії належить товар Заклепка Ф2.4 DIN 7337 зі звичайним буртиком? ❯
- Чи можна замовити доставку для товару Заклепка Ф2.4 DIN 7337 зі звичайним буртиком? ❯
- Які переваги покупки Заклепка Ф2.4 DIN 7337 зі звичайним буртиком саме у цього виробника KrepZevs? ❯
- Де можна знайти інші товари, схожі на Заклепка Ф2.4 DIN 7337 зі звичайним буртиком? ❯
- ВиробникKrepZevs
- НаявністьВ наявності
- ПокриттяЦинк без покриття
- Вид заклепкиВитяжна
- Усі характеристики
- Мінімальна сумма замовлення - 2000 грн
- Надійна сировина та обладнання: Компанія використовує перевірену сировину та сучасне обладнання для виробництва кріпильних елементів.
- Дослідна команда: Виробництвом стандартних та спеціальних рішень займається команда професіоналів.
- Співпраця з виробниками: Компанія співпрацює з відповідальними заводами-виробниками з України та Європи.
Заклепка Ф2.4 DIN 7337 комбінована витяжна зі стандартним буртиком
Заклепки DIN 7337 Ф2.4 мають відповідно діаметр корпусу 2.4 (мм), що визначає діаметр отвору, який необхідно пробурити для монтажу даного елемента кріплення. Зручність використання металовиробів даного типу полягає в необхідності доступу до з'єднання тільки з одного боку.
Ми виробляємо сталеві заклепки з конструкційної сталі вуглецевої або аустенітної А2 або А4, а також зі сплавів кольорових металів.
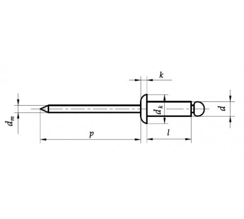
Конструкція заклепки DIN 7337 зі стандартним буртиком

Основні характеристики заклепки DIN 7337
|
Характеристика |
Позначення |
Значення, (мм) |
|
|
Номінальний діаметр |
dном |
2.4 |
|
|
Діаметр стрижня |
d |
max |
2.48 |
|
min |
2.25 |
||
|
Діаметр буртика |
dk |
max |
5.0 |
|
min |
4.2 |
||
|
Висота буртика |
k |
max |
1 |
|
min |
0.6 |
||
|
Діаметр вістря |
dm |
1.55 |
|
|
Довжина вістря |
pmin |
25 |
|
Звертайтесь до менеджерів нашого підприємства, щоб купити витяжні заклепки або іншого типу за низькою ціною з доставкою по всій Україні.
Завод «Зевс» виробляє елементи кріплення різної складності вже більше десятиліття, і можемо виготовити для вас як стандартизований метиз, так і індивідуальний. Ми надаємо консультацію з будь-якого питання, що вас цікавить. Гарантія якості на кріплення – 36 місяців з моменту придбання. Для постійних клієнтів та оптових покупців діє гнучка система знижок. Ціни нижчі за ринок на 3-10%. Швидке оформлення замовлення за телефоном або на сайті онлайн.
Заклепка Ф2.4 DIN 7337 с обычным буртиком
Технічні характеристики
- ПокриттяЦинк без покриття
- Вид заклепкиВитяжна
- Тип бортика заклепкиСтандартний
- Діаметр отвору під заклепку2.5
- Форма головки заклепкиНапівкругла
- Матеріал стрижняСталь
- Діаметр головки2.48
- Діаметр заклепки2.4
- Гарантійний термін36
Відгуків про цей товар ще не було.
