- Які характеристики має товар Заклепка Ф5.0 DIN 7337 зі звичайним буртиком? ❯
- Яка ціна товару Заклепка Ф5.0 DIN 7337 зі звичайним буртиком і чи вона актуальна? ❯
- До якої категорії належить товар Заклепка Ф5.0 DIN 7337 зі звичайним буртиком? ❯
- Чи можна замовити доставку для товару Заклепка Ф5.0 DIN 7337 зі звичайним буртиком? ❯
- Які переваги покупки Заклепка Ф5.0 DIN 7337 зі звичайним буртиком саме у цього виробника KrepZevs? ❯
- Де можна знайти інші товари, схожі на Заклепка Ф5.0 DIN 7337 зі звичайним буртиком? ❯
- ВиробникKrepZevs
- НаявністьВ наявності
- ПокриттяЦинк без покриття
- Вид заклепкиВитяжна
- Усі характеристики
- Мінімальна сумма замовлення - 2000 грн
- Надійна сировина та обладнання: Компанія використовує перевірену сировину та сучасне обладнання для виробництва кріпильних елементів.
- Дослідна команда: Виробництвом стандартних та спеціальних рішень займається команда професіоналів.
- Співпраця з виробниками: Компанія співпрацює з відповідальними заводами-виробниками з України та Європи.
Заклепка Ф5.0 DIN 7337 комбінована витяжна зі стандартним буртиком
Комбіновані витяжні заклепки з класичною формою та розміром буртика виробляються за DIN 7337. Даний стандарт описує метиз для створення нероз'ємного з'єднання з високим ступенем герметичності.
При монтажі слід використовувати спеціалізований інструмент - заклепочник. Кріплення дозволяє здійснити з'єднання тонколистових матеріалів з фанери, жерсті, пластику та ін.
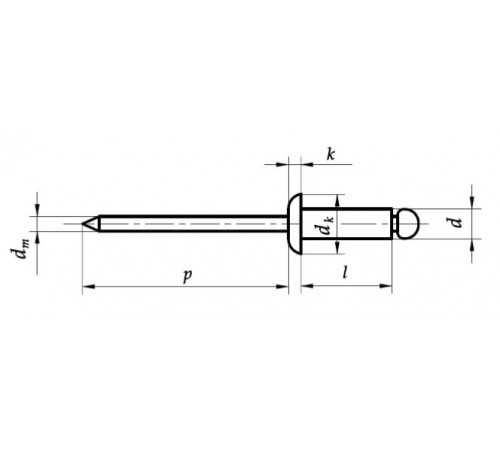
Конструкція заклепки DIN 7337 зі стандартним буртиком

Основні характеристики заклепки DIN 7337
|
Характеристика |
Позначення |
Значення, (мм) |
|
|
Номінальний діаметр |
dном |
5.0 |
|
|
Діаметр стрижня |
d |
max |
5.08 |
|
min |
4.85 |
||
|
Діаметр буртика |
dk |
max |
10.5 |
|
min |
8.7 |
||
|
Висота буртика |
k |
max |
2.1 |
|
min |
1.7 |
||
|
Діаметр вістря |
dm |
2.95 |
|
|
Довжина вістря |
pmin |
27 |
|
Звертайтесь до менеджерів нашого підприємства, щоб купити витяжні заклепки або іншого типу за низькою ціною з доставкою по всій Україні.
Завод «Зевс» виробляє елементи кріплення різної складності вже більше десятиліття, і можемо виготовити для вас як стандартизований метиз, так і індивідуальний. Ми надаємо консультацію з будь-якого питання, що вас цікавить. Гарантія якості на кріплення – 36 місяців з моменту придбання. Для постійних клієнтів та оптових покупців діє гнучка система знижок. Ціни нижчі за ринок на 3-10%. Швидке оформлення замовлення за телефоном або на сайті онлайн.
Заклепка Ф5.0 DIN 7337 с обычным буртиком
Технічні характеристики
- ПокриттяЦинк без покриття
- Вид заклепкиВитяжна
- Тип бортика заклепкиСтандартний
- Діаметр отвору під заклепку5.1
- Форма головки заклепкиНапівкругла
- Діаметр головки5.08
- Діаметр заклепки5
- Гарантійний термін36
Відгуків про цей товар ще не було.
