- Які характеристики має товар Заклепки з потайною голівкою Ф3 DIN 661 (сталь)? ❯
- Яка ціна товару Заклепки з потайною голівкою Ф3 DIN 661 (сталь) і чи вона актуальна? ❯
- До якої категорії належить товар Заклепки з потайною голівкою Ф3 DIN 661 (сталь)? ❯
- Чи можна замовити доставку для товару Заклепки з потайною голівкою Ф3 DIN 661 (сталь)? ❯
- Які переваги покупки Заклепки з потайною голівкою Ф3 DIN 661 (сталь) саме у цього виробника KrepZevs? ❯
- Де можна знайти інші товари, схожі на Заклепки з потайною голівкою Ф3 DIN 661 (сталь)? ❯
- ВиробникKrepZevs
- НаявністьВ наявності
- Вид заклепкиУдарна (під молоток)
- Тип бортика заклепкиПотайний
- Усі характеристики
- Мінімальна сумма замовлення - 2000 грн
- Надійна сировина та обладнання: Компанія використовує перевірену сировину та сучасне обладнання для виробництва кріпильних елементів.
- Дослідна команда: Виробництвом стандартних та спеціальних рішень займається команда професіоналів.
- Співпраця з виробниками: Компанія співпрацює з відповідальними заводами-виробниками з України та Європи.
Заклепка під молоток Ф3 DIN 661 (сталь)
Заклепка з потайною голівкою 3 DIN 661 монтується за допомогою молотка. Кріплення створене для нероз'ємного з'єднання у машинобудівних виробах з підвищеними вимогами до зовнішнього вигляду точки кріплення.
Згідно з ГОСТ 10300 і ISO 1051 дані металовироби виготовляють з вуглецевої сталі, а так само з кольорових металів (алюміній, мідь). Так як заклепки дуже часто застосовують в агресивному середовищі, їх роблять з аустенітної нержавіючої сталі марки А2.
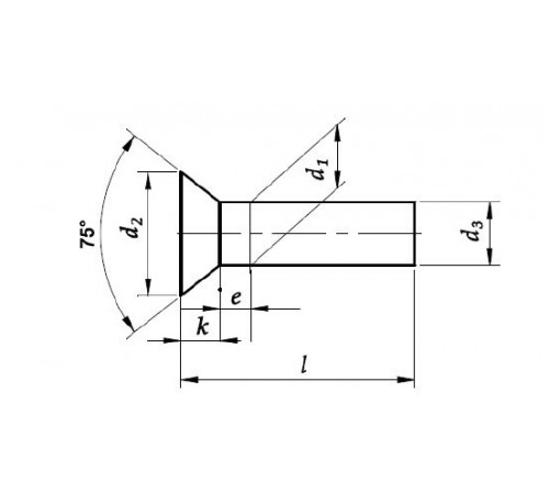
Розміри заклепок з потайною голівкою під молоток DIN 661 (мм):
|
Діаметр стрижня d |
3 |
|
Діаметр голівки D |
5,2 |
|
Висота голівки Н |
1,2 |
|
Радіус під голівкою, r, не більше |
0,1 |
|
Відстань від основи голівки до місця виміру діаметра l |
3 |
|
Довжина L |
4-40 |
Теоретична маса 1000 шт. заклепок, кг, при номінальному діаметрі стрижня d, (мм):
|
Довжина L, мм |
3 |
|
4 |
0,281 |
|
5 |
0,336 |
|
6 |
0,392 |
|
7 |
0,447 |
|
8 |
0,503 |
|
9 |
0,558 |
|
10 |
0,614 |
|
12 |
0,724 |
|
14 |
0,835 |
|
16 |
0,946 |
|
18 |
1,057 |
|
20 |
1,168 |
|
22 |
1,279 |
|
24 |
1,390 |
|
26 |
1,501 |
|
28 |
1,612 |
|
30 |
1,723 |
|
32 |
1,834 |
|
34 |
1,945 |
|
36 |
2,056 |
|
38 |
2,167 |
|
40 |
2,278 |
Співпрацюючи з компанією "Зевс", ви отримуєте багато переваг:
- Продукція після попередньої перевірки у ВТК.
- Доставка по всій Україні у домовлені терміни.
- Сертифікати якості;
- Ціни нижчі за ринок на 3-10%.
- Вигідні умови співробітництва – готівковий, безготівковий розрахунок.
Заклепки с потайной головкой Ф3 DIN 661 (сталь)
Технічні характеристики
- Вид заклепкиУдарна (під молоток)
- Тип бортика заклепкиПотайний
- Форма головки заклепкиПотайна
- Матеріал корпусу заклепкиСталь
- Матеріал стрижняСталь
- Діаметр головки5.2
- Діаметр заклепки3
- Висота головки1.2
- Супровідний документСертифікат
- Гарантійний термін36
- Матеріал виготовленнявуглецева сталь, нержавіюча сталь, алюміній, мідь
- СтандартиДЕРЖСТАНДАРТ 10300, ISO 1051, DIN 661
Відгуків про цей товар ще не було.

