- Які характеристики має товар Шплінт Ф2.0 ГОСТ 397-79 розвідний? ❯
- Яка ціна товару Шплінт Ф2.0 ГОСТ 397-79 розвідний і чи вона актуальна? ❯
- До якої категорії належить товар Шплінт Ф2.0 ГОСТ 397-79 розвідний? ❯
- Чи можна замовити доставку для товару Шплінт Ф2.0 ГОСТ 397-79 розвідний? ❯
- Які переваги покупки Шплінт Ф2.0 ГОСТ 397-79 розвідний саме у цього виробника KrepZevs? ❯
- Де можна знайти інші товари, схожі на Шплінт Ф2.0 ГОСТ 397-79 розвідний? ❯
- ВиробникKrepZevs
- НаявністьВ наявності
- Тип шплінтуРозвідний
- Матеріал шплінтуСталь
- Усі характеристики
- Мінімальна сумма замовлення - 2000 грн
- Надійна сировина та обладнання: Компанія використовує перевірену сировину та сучасне обладнання для виробництва кріпильних елементів.
- Дослідна команда: Виробництвом стандартних та спеціальних рішень займається команда професіоналів.
- Співпраця з виробниками: Компанія співпрацює з відповідальними заводами-виробниками з України та Європи.
Шплінт сталевий Ф2.0 ГОСТ 397-79 розвідний
При зміцненні болтових з'єднань і тих, у яких задіяні корончасті гайки, активно використовуються розводні шплінти Ф2 ГОСТ 397-79. Ці металовироби можуть бути створені з вуглецевої конструкційної сталі, а також з нержавійки А2 або А4 для роботи в сирому та агресивному середовищі (кислота, луг).
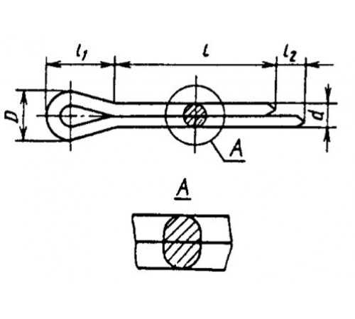
Конструкція шплінта ГОСТ 397-79

Основні характеристики:
|
Умовний діаметр шплінта d0 |
2,0 |
||
|
найб. |
1,8 |
||
|
d |
найм. |
1,7 |
|
|
L2 |
найб. |
2,5 |
|
|
найм. |
1,3 |
||
|
L1 |
4,0 |
||
|
найб. |
3,6 |
||
|
D |
найм. |
3,2 |
|
|
Рекомендовані діаметри |
Болт |
понад |
7,0 |
|
до |
9,0 |
||
|
Штифт, вісь |
понад |
6,0 |
|
|
до |
8,0 |
||
Не знаєте, де вигідно купити розвідний шплінт ГОСТ 397-79? Ми допоможемо вам підібрати відповідний елемент! Менеджери компанії «Зевс» проконсультують вас з усіх необхідних питань. У нашому каталозі представлений великий асортимент метизної продукції. Доставка здійснюється по всій Україні, відразу після внесення оплати. Ми надаємо сертифікати якості. Гарантія якості на кріпильні вироби – 3 роки.
Шплинт Ф2.0 ГОСТ 397-79 разводной
Технічні характеристики
- Тип шплінтуРозвідний
- Матеріал шплінтуСталь
- ПокриттяЦинк без покриття
- Довжина шплінту8
- Умовний діаметр шплінту2
- Гарантійний термін36
- СтанНове
Відгуків про цей товар ще не було.
