- Які характеристики має товар Заклепки Ф4.0 ГОСТ 10300-80, DIN 661 з потайною голівкою? ❯
- Яка ціна товару Заклепки Ф4.0 ГОСТ 10300-80, DIN 661 з потайною голівкою і чи вона актуальна? ❯
- До якої категорії належить товар Заклепки Ф4.0 ГОСТ 10300-80, DIN 661 з потайною голівкою? ❯
- Чи можна замовити доставку для товару Заклепки Ф4.0 ГОСТ 10300-80, DIN 661 з потайною голівкою? ❯
- Які переваги покупки Заклепки Ф4.0 ГОСТ 10300-80, DIN 661 з потайною голівкою саме у цього виробника KrepZevs? ❯
- Де можна знайти інші товари, схожі на Заклепки Ф4.0 ГОСТ 10300-80, DIN 661 з потайною голівкою? ❯
- ВиробникKrepZevs
- НаявністьВ наявності
- ПокриттяЦинк без покриття
- Вид заклепкиУдарна (під молоток)
- Усі характеристики
- Мінімальна сумма замовлення - 2000 грн
- Надійна сировина та обладнання: Компанія використовує перевірену сировину та сучасне обладнання для виробництва кріпильних елементів.
- Дослідна команда: Виробництвом стандартних та спеціальних рішень займається команда професіоналів.
- Співпраця з виробниками: Компанія співпрацює з відповідальними заводами-виробниками з України та Європи.
Заклепка Ф4.0 ГОСТ 10300-80 під молоток з голівкою-потай
Заклепки під молоток створюються за кількома вітчизняними та європейськими стандартами ГОСТ 10300-80, DIN 661 та ISO для використання як кріпильний засіб замість зварювання. Метизи являють собою циліндричний стрижень з потайною головкою класу точності В або С.
Їх застосування дозволяє досягти високого рівня безпеки і не заважати експлуатації вузлів конструкції, що сусідять. Як сировина ви можете вибрати різні матеріали, з яких будуть створені заклепки різних властивостей. У нас ви можете придбати заклепки сталеві з алюмінію, міді або латуні.
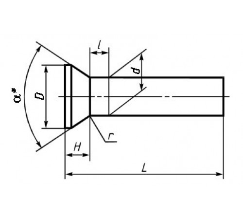
Конструкція заклепки ГОСТ 10300-80, DIN 661
Розміри заклепок ГОСТ 10300-80, DIN 661 з потайною головкою під молоток (мм):
|
Діаметр стрижня d |
4 |
|
Діаметр голівки D |
7,0 |
|
Висота голівки Н |
1,6 |
|
Радіус під голівкою, r, не більше |
0,2 |
|
Відстань від основи голівки до місця виміру діаметра l |
3 |
|
Довжина L |
5-50 |
Теоретична маса 1000 шт. заклепок, кг, при номінальному діаметрі стрижня d, (мм):
|
Довжина L, мм |
4 |
|
5 |
0,635 |
|
6 |
0,733 |
|
7 |
0,832 |
|
8 |
0,931 |
|
9 |
1,0,29 |
|
10 |
1,128 |
|
12 |
1,325 |
|
14 |
1,522 |
|
16 |
1,719 |
|
18 |
1,917 |
|
20 |
2,114 |
|
22 |
2,311 |
|
24 |
2,509 |
|
26 |
2,706 |
|
28 |
2,903 |
|
30 |
3,100 |
|
32 |
3,294 |
|
34 |
3,95 |
|
36 |
3,692 |
|
38 |
3,890 |
|
40 |
4,087 |
|
42 |
4,284 |
|
45 |
4,580 |
|
48 |
4,876 |
|
50 |
5,073 |
Не знаєте, який метиз вибрати? Досвідчені консультанти заводу «Зевс» допоможуть вам визначитись та зробити раціональну покупку. Телефонуйте нам або залишайте заявки на сайті, щоб купити заклепки в Україні за найнижчою ціною вітчизняного виробника кріплення з доставкою по всій країні.
У компанії «Зевс» ви обов'язково отримаєте гарантію будь-якого придбаного товару. Тільки у нас ви зможете замовити заклепки, ціна яких варіюється в залежності від величини замовлення, та отримати гідну знижку на необхідний товар.
Заклепки Ф4.0 ГОСТ 10300-80, DIN 661 с потайной головкой
Технічні характеристики
- ПокриттяЦинк без покриття
- Вид заклепкиУдарна (під молоток)
- Тип бортика заклепкиПотайний
- Діаметр отвору під заклепку4.1
- Форма головки заклепкиПлоска
- Матеріал корпусу заклепкиСталь
- Матеріал стрижняСталь
- Діаметр головки7
- Діаметр заклепки4
- Висота головки1.6
- Супровідний документСертифікат
- Гарантійний термін36
- СтандартиДЕРЖСТАНДАРТ 10300, ISO 1051, DIN 661
Відгуків про цей товар ще не було.

