- Які характеристики має товар Заклепки Ф6.0 ГОСТ 10300-80, DIN 661 з потайною голівкою? ❯
- Яка ціна товару Заклепки Ф6.0 ГОСТ 10300-80, DIN 661 з потайною голівкою і чи вона актуальна? ❯
- До якої категорії належить товар Заклепки Ф6.0 ГОСТ 10300-80, DIN 661 з потайною голівкою? ❯
- Чи можна замовити доставку для товару Заклепки Ф6.0 ГОСТ 10300-80, DIN 661 з потайною голівкою? ❯
- Які переваги покупки Заклепки Ф6.0 ГОСТ 10300-80, DIN 661 з потайною голівкою саме у цього виробника KrepZevs? ❯
- Де можна знайти інші товари, схожі на Заклепки Ф6.0 ГОСТ 10300-80, DIN 661 з потайною голівкою? ❯
- ВиробникKrepZevs
- НаявністьВ наявності
- ПокриттяЦинк без покриття
- Вид заклепкиУдарна (під молоток)
- Усі характеристики
- Мінімальна сумма замовлення - 2000 грн
- Надійна сировина та обладнання: Компанія використовує перевірену сировину та сучасне обладнання для виробництва кріпильних елементів.
- Дослідна команда: Виробництвом стандартних та спеціальних рішень займається команда професіоналів.
- Співпраця з виробниками: Компанія співпрацює з відповідальними заводами-виробниками з України та Європи.
Заклепка Ф6.0 ГОСТ 10300-80, DIN 661 під молоток з голівкою-потай
Заклепки відповідно до ГОСТ 10300-80, DIN 661 іменуються під молоток з потайною голівкою і класом точності стрижневої частини В або С. Вони необхідні для створення нероз'ємних з'єднань, в машинобудуванні, авіабудуванні, суднобудуванні та інших промислових сферах.
Ми пропонуємо вам придбати металовироби сталеві, а також з міді, алюмінію, латуні з діаметром стрижня 6 (мм), створені відповідно до зазначеного стандарту або його аналогів DIN 661 або ISO 1051.
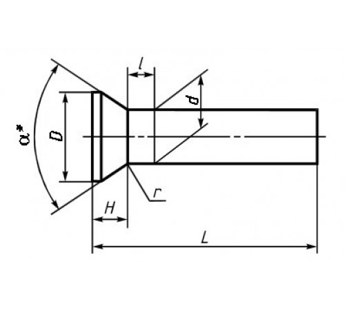
Конструкція заклепки ГОСТ 10300-80, DIN 661
Розміри заклепок ГОСТ 10300-80, DIN 661 з потайною голівкою під молоток (мм):
|
Діаметр стрижня d |
6 |
|
Діаметр голівки D |
10,3 |
|
Висота голівки Н |
2,4 |
|
Радіус під голівкою, r, не більше |
0,25 |
|
Відстань від основи голівки до місця виміру діаметра l |
4 |
|
Довжина L |
8-60 |
Теоретична маса 1000 шт. заклепок, кг, при номінальному діаметрі стрижня d, (мм):
|
Довжина L, мм |
6 |
|
8 |
2,235 |
|
9 |
2,457 |
|
10 |
2,679 |
|
12 |
3,123 |
|
14 |
3,563 |
|
16 |
4,007 |
|
18 |
4,451 |
|
20 |
4,895 |
|
22 |
5,309 |
|
24 |
5,783 |
|
26 |
6,227 |
|
28 |
6,671 |
|
30 |
7,115 |
|
32 |
7,559 |
|
34 |
8,002 |
|
36 |
8,446 |
|
38 |
8,890 |
|
40 |
9,334 |
|
42 |
9,778 |
|
45 |
10,444 |
|
48 |
11,110 |
|
50 |
11,554 |
|
52 |
11,998 |
|
55 |
12,663 |
|
58 |
13,329 |
|
60 |
13,773 |
Не знаєте, який метиз вибрати? Досвідчені консультанти заводу «Зевс» допоможуть вам визначитись та зробити раціональну покупку. Телефонуйте нам або залишайте заявки на сайті, щоб купити заклепки в Україні за найнижчою ціною вітчизняного виробника кріплення з доставкою по всій країні.
У компанії «Зевс» ви обов'язково отримаєте гарантію будь-якого придбаного товару. Тільки у нас ви зможете замовити заклепки, ціна яких варіюється в залежності від величини замовлення, та отримати гідну знижку на необхідний товар.
Заклепки Ф6.0 ГОСТ 10300-80, DIN 661 с потайной головкой
Технічні характеристики
- ПокриттяЦинк без покриття
- Вид заклепкиУдарна (під молоток)
- Тип бортика заклепкиПотайний
- Діаметр отвору під заклепку6.1
- Форма головки заклепкиПлоска
- Матеріал корпусу заклепкиСталь
- Матеріал стрижняСталь
- Діаметр головки10.3
- Діаметр заклепки6
- Висота головки2.4
- Супровідний документСертифікат
- Гарантійний термін36
- СтандартиДЕРЖСТАНДАРТ 10300, ISO 1051, DIN 661
Відгуків про цей товар ще не було.

