- Які характеристики має товар Заклепки Ф5.0 ГОСТ 10300-80, DIN 661 з потайною голівкою? ❯
- Яка ціна товару Заклепки Ф5.0 ГОСТ 10300-80, DIN 661 з потайною голівкою і чи вона актуальна? ❯
- До якої категорії належить товар Заклепки Ф5.0 ГОСТ 10300-80, DIN 661 з потайною голівкою? ❯
- Чи можна замовити доставку для товару Заклепки Ф5.0 ГОСТ 10300-80, DIN 661 з потайною голівкою? ❯
- Які переваги покупки Заклепки Ф5.0 ГОСТ 10300-80, DIN 661 з потайною голівкою саме у цього виробника KrepZevs? ❯
- Де можна знайти інші товари, схожі на Заклепки Ф5.0 ГОСТ 10300-80, DIN 661 з потайною голівкою? ❯
- ВиробникKrepZevs
- НаявністьВ наявності
- ПокриттяЦинк без покриття
- Вид заклепкиУдарна (під молоток)
- Усі характеристики
- Мінімальна сумма замовлення - 2000 грн
- Надійна сировина та обладнання: Компанія використовує перевірену сировину та сучасне обладнання для виробництва кріпильних елементів.
- Дослідна команда: Виробництвом стандартних та спеціальних рішень займається команда професіоналів.
- Співпраця з виробниками: Компанія співпрацює з відповідальними заводами-виробниками з України та Європи.
Заклепка Ф5.0 ГОСТ 10300-80, DIN661 під молоток з голівкою-потай
Заклепки з потайною голівкою створюються за ГОСТ 10300-80 (аналог - DIN 661) та можуть мати номінальний діаметр стрижневої частини 5 (мм). Дані металовироби створюються під молоток, тобто кріплення фіксується за допомогою застосування додаткового інструменту.
Голівка має потаємний тип і при встановленні не заважає роботі сусідніх вузлів. Також це є безпечним та естетичним, тому ці елементи нерідко використовуються в декоративних цілях.
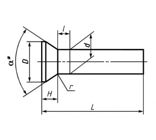
Конструкція заклепки ГОСТ 10300-80, DIN 661
Розміри заклепок ГОСТ 10300-80, DIN 661 з потайною головкою під молоток (мм):
|
Діаметр стрижня d |
5 |
|
Діаметр голівки D |
8,8 |
|
Висота голівки Н |
2,0 |
|
Радіус під голівкою, r, не більше |
0,2 |
|
Відстань від основи голівки до місця виміру діаметра l |
4 |
|
Довжина L |
8-60 |
Теоретична маса 1000 шт. заклепок, кг, при номінальному діаметрі стрижня d, (мм):
|
Довжина L, мм |
5 |
|
8 |
1,522 |
|
9 |
1,677 |
|
10 |
1,831 |
|
12 |
2,139 |
|
14 |
2,447 |
|
16 |
2,755 |
|
18 |
3,064 |
|
20 |
3,372 |
|
22 |
3,680 |
|
24 |
3,989 |
|
26 |
4,297 |
|
28 |
4,605 |
|
30 |
4,913 |
|
32 |
5,222 |
|
34 |
5,530 |
|
36 |
5,838 |
|
38 |
6,146 |
|
40 |
6,455 |
|
42 |
6,763 |
|
45 |
7,225 |
|
48 |
7,688 |
|
50 |
7,996 |
|
52 |
8,304 |
|
55 |
8,767 |
|
58 |
9,229 |
|
60 |
9,537 |
Не знаєте, який метиз вибрати? Досвідчені консультанти заводу «Зевс» допоможуть вам визначитись та зробити раціональну покупку. Телефонуйте нам або залишайте заявки на сайті, щоб купити заклепки в Україні за найнижчою ціною вітчизняного виробника кріплення з доставкою по всій країні.
У компанії «Зевс» ви обов'язково отримаєте гарантію будь-якого придбаного товару. Тільки у нас ви зможете замовити заклепки, ціна яких варіюється в залежності від величини замовлення, та отримати гідну знижку на необхідний товар.
Заклепки Ф5.0 ГОСТ 10300-80, DIN 661 с потайной головкой
Технічні характеристики
- ПокриттяЦинк без покриття
- Вид заклепкиУдарна (під молоток)
- Тип бортика заклепкиПотайний
- Діаметр отвору під заклепку5.1
- Форма головки заклепкиПлоска
- Матеріал корпусу заклепкиСталь
- Матеріал стрижняСталь
- Діаметр головки8.8
- Діаметр заклепки5
- Висота головки2
- Супровідний документСертифікат
- Гарантійний термін36
- СтандартиДЕРЖСТАНДАРТ 10300, ISO 1051, DIN 661
Відгуків про цей товар ще не було.

