- Які характеристики має товар Заклепки Ф8.0 ГОСТ 10300-80, DIN 661 з потайною голівкою? ❯
- Яка ціна товару Заклепки Ф8.0 ГОСТ 10300-80, DIN 661 з потайною голівкою і чи вона актуальна? ❯
- До якої категорії належить товар Заклепки Ф8.0 ГОСТ 10300-80, DIN 661 з потайною голівкою? ❯
- Чи можна замовити доставку для товару Заклепки Ф8.0 ГОСТ 10300-80, DIN 661 з потайною голівкою? ❯
- Які переваги покупки Заклепки Ф8.0 ГОСТ 10300-80, DIN 661 з потайною голівкою саме у цього виробника KrepZevs? ❯
- Де можна знайти інші товари, схожі на Заклепки Ф8.0 ГОСТ 10300-80, DIN 661 з потайною голівкою? ❯
- ВиробникKrepZevs
- НаявністьВ наявності
- ПокриттяЦинк без покриття
- Вид заклепкиУдарна (під молоток)
- Усі характеристики
- Мінімальна сумма замовлення - 2000 грн
- Надійна сировина та обладнання: Компанія використовує перевірену сировину та сучасне обладнання для виробництва кріпильних елементів.
- Дослідна команда: Виробництвом стандартних та спеціальних рішень займається команда професіоналів.
- Співпраця з виробниками: Компанія співпрацює з відповідальними заводами-виробниками з України та Європи.
Заклепка Ф8.0 ГОСТ 10300-80, DIN 661 під молоток з голівкою-потай
Заклепки сталеві, латунні, мідні, алюмінієві з діаметром стрижневої частини 8 (мм) під молоток можуть мати потайну головку, що регламентується ГОСТ 10300-80, або його аналогами DIN 661 і ISO 1051. Описувані елементи застосовуються як частина безпечного нероз'ємного з'єднання де неможливо використати зварювання.
Потайна голівка не заважає використанню спільно з прилеглими вузлами і є безпечною та естетичною для встановлення в декоративних цілях.
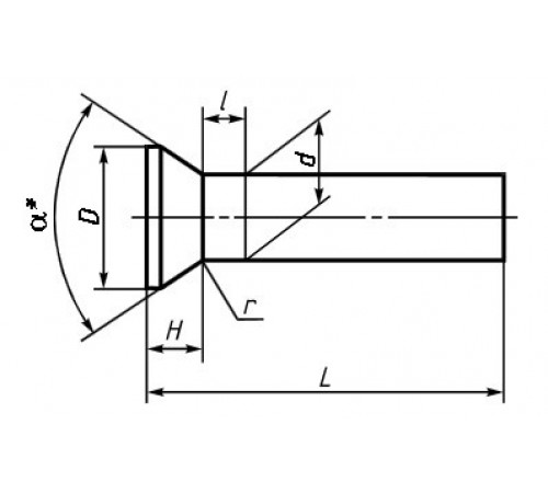
Конструкція заклепки ГОСТ 10300-80, DIN 661
Розміри заклепок ГОСТ 10300-80, DIN 661 з потайною голівкою під молоток (мм):
|
Діаметр стрижня d |
8 |
|
Діаметр голівки D |
13,9 |
|
Висота голівки Н |
3,2 |
|
Радіус під голівкою, r, не більше |
0,25 |
|
Відстань від основи голівки до місця виміру діаметра l |
4 |
|
Довжина L |
9-60 |
Теоретична маса 1000 шт. заклепок, кг, при номінальному діаметрі стрижня d, (мм):
|
Довжина L, мм |
8 |
|
8 |
4,294 |
|
9 |
4,689 |
|
10 |
5,083 |
|
12 |
5,478 |
|
14 |
6,656 |
|
16 |
7,445 |
|
18 |
8,234 |
|
20 |
9,023 |
|
22 |
9,812 |
|
24 |
10,603 |
|
26 |
11,391 |
|
28 |
12,180 |
|
30 |
12,969 |
|
32 |
13,758 |
|
34 |
14,547 |
|
36 |
15,337 |
|
38 |
16,126 |
|
40 |
16,915 |
|
42 |
17,704 |
|
45 |
18,888 |
|
48 |
20,072 |
|
50 |
20,861 |
|
52 |
21,650 |
|
55 |
22,834 |
|
58 |
24,017 |
|
60 |
24,806 |
Не знаєте, який метиз вибрати? Досвідчені консультанти заводу «Зевс» допоможуть вам визначитись та зробити раціональну покупку. Телефонуйте нам або залишайте заявки на сайті, щоб купити заклепки в Україні за найнижчою ціною вітчизняного виробника кріплення з доставкою по всій країні.
У компанії «Зевс» ви обов'язково отримаєте гарантію будь-якого придбаного товару. Тільки у нас ви зможете замовити заклепки, ціна яких варіюється в залежності від величини замовлення, та отримати гідну знижку на необхідний товар.
Заклепки Ф8.0 ГОСТ 10300-80, DIN 661 с потайной головкой
Технічні характеристики
- ПокриттяЦинк без покриття
- Вид заклепкиУдарна (під молоток)
- Тип бортика заклепкиПотайний
- Діаметр отвору під заклепку8.1
- Форма головки заклепкиПлоска
- Матеріал корпусу заклепкиСталь
- Матеріал стрижняСталь
- Діаметр головки13.9
- Діаметр заклепки8
- Висота головки3.2
- Супровідний документСертифікат
- Гарантійний термін36
- СтандартиДЕРЖСТАНДАРТ 10300, ISO 1051, DIN 661
Відгуків про цей товар ще не було.

