- Які характеристики має товар Шплінт Ф1 ГОСТ 397-79 розвідний? ❯
- Яка ціна товару Шплінт Ф1 ГОСТ 397-79 розвідний і чи вона актуальна? ❯
- До якої категорії належить товар Шплінт Ф1 ГОСТ 397-79 розвідний? ❯
- Чи можна замовити доставку для товару Шплінт Ф1 ГОСТ 397-79 розвідний? ❯
- Які переваги покупки Шплінт Ф1 ГОСТ 397-79 розвідний саме у цього виробника KrepZevs? ❯
- Де можна знайти інші товари, схожі на Шплінт Ф1 ГОСТ 397-79 розвідний? ❯
- ВиробникKrepZevs
- НаявністьВ наявності
- Тип шплінтуРозвідний
- Матеріал шплінтуСталь
- Усі характеристики
- Мінімальна сумма замовлення - 2000 грн
- Надійна сировина та обладнання: Компанія використовує перевірену сировину та сучасне обладнання для виробництва кріпильних елементів.
- Дослідна команда: Виробництвом стандартних та спеціальних рішень займається команда професіоналів.
- Співпраця з виробниками: Компанія співпрацює з відповідальними заводами-виробниками з України та Європи.
Шплінт сталевий Ф1 ГОСТ 397-79 розвідний
При зміцненні з'єднань можуть використовуватись шплінти Ф1 ГОСТ 397-79. Вони називаються розвідними через особливості монтажу: його встановлюють в наявний отвір в головці скріплюваного металовиробу, наприклад, гвинта або болта, а кінці розводять в різні боки, тісно притискаючи їх до поверхні, що сполучається, щоб уникнути травм і перешкод при роботі. Виготовляють кріплення з низьковуглецевої або аустенітної сталі А2 або А4.
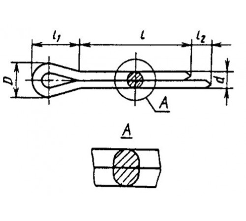
Конструкція шплінта ГОСТ 397-79

Основні характеристики:
|
Умовний діаметр шплінта d0 |
1,0 |
||
|
найб. |
0,9 |
||
|
d |
найм. |
0,8 |
|
|
L2 |
найб. |
1,6 |
|
|
найм. |
0,8 |
||
|
L1 |
3,0 |
||
|
найб. |
1,8 |
||
|
D |
найм. |
1,6 |
|
|
Рекомендовані діаметри |
Болт |
понад |
3,5 |
|
до |
4,5 |
||
|
Штифт, вісь |
понад |
3,0 |
|
|
до |
4,0 |
||
Не знаєте, де вигідно купити розвідний шплінт ГОСТ 397-79? Ми допоможемо вам підібрати відповідний елемент! Менеджери компанії «Зевс» проконсультують вас з будь-яких питань, що вас цікавлять. Купуючи товар на нашому підприємстві, ви отримуєте доступні ціни. Максимальна якість металовиробу, при мінімальному терміні комплектування замовлення. Для постійних клієнтів та оптових покупців існує гнучка система знижок. Доставка по всій Україні відразу після внесення оплати.
Шплинт Ф1 ГОСТ 397-79 разводной
Технічні характеристики
- Тип шплінтуРозвідний
- Матеріал шплінтуСталь
- ПокриттяЦинк без покриття
- Довжина шплінту20
- Умовний діаметр шплінту1
- Гарантійний термін36
- СтанНове
Відгуків про цей товар ще не було.
